STMicroelectronics STEVAL-1PS01DJR Evaluation Board

STMicroelectronics STEVAL-1PS01DJR Evaluation Board is a development tool for the ST1PS01DJR 400mA nano-quiescent synchronous step-down converter. The converter can provide up to 400mA output current with a 1.8V to 5.5V input voltage range. The board is designed for applications in which high-efficiency and printed circuit board size and thickness are factors. The ST1PS01 can use the enhanced peak current control (PCC) to achieve high-efficiency conversion with a 2.2µH inductor and two small capacitors. The advanced design circuitry reduces the quiescent current to a minimum.

Features

  • 1.8V to 5.5V input operating range
  • Up to 400mA output current capability
  • L=2.2µH typ external components
  • 1.8V to 2.8V selectable output voltages
  • Dynamic output voltage selection (D0, D1)

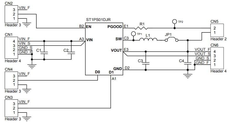
Schematic Diagram

Schematic - STMicroelectronics STEVAL-1PS01DJR Evaluation Board
Publicado: 2019-05-30 | Actualizado: 2024-03-01