NorComp Dual-Port Stacked D-Sub Connectors
NorComp Dual-Port Stacked D-Sub Connectors provide multiple connector ports in a limited PCB space by stacking two right angle D-Sub connectors atop each other. These high-temperature, UL 94V-0 thermoplastic connectors are available in four industry-standard sizes (9, 15, 25, 37) and three different connector spacing options (0.625” | 0.750” | 0.900”). Each connector offers high performance, stamped contacts, and a condensed footprint. NorComp Dual-Port D-Sub Connectors include male / female over male / female configurations with hardware options that include flush inserts, hex standoffs, metal brackets, and more.Features
- Dual port d-subs are available in four industry sizes/positions:
- High-density options are available in 178-H15 and 189-H15
- Standard-density (9-pin, 15-pin, 25-pin, 37-pin) and high-density (15-pin)
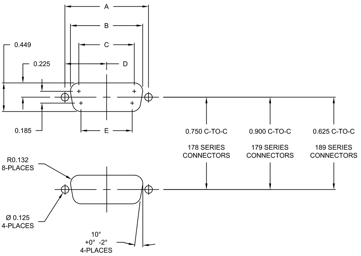
- Three connector spacing options:
- 178 series - 0.750" spacing
- 179 series - 0.900" spacing
- 189 series - 0.625" spacing
- High-performance stamped contacts
- RoHS-2 compliant
- A stacked d-sub provides proper mating while maximizing board space
- Nickel plated shells have ground indents to provide better grounding and retention
- Metal shell for improved shielding
- Fully intermateable with other d-sub connectors
Materials
- Steel, nickel plating shell
- Glass-filled thermoplastic, UL-rated 94V-O insulator (260°C process temp)
- Brass stamped contacts
- Gold flash plating
Panel Cutout
Publicado: 2017-11-22
| Actualizado: 2022-07-14
