Texas Instruments UCC27311A/UCC27311A-Q1 Half-Bridge Drivers

Texas Instruments UCC27311A/UCC27311A-Q1 Half-Bridge Drivers are robust gate drivers designed to drive two N-channel MOSFETs in a half-bridge or synchronous buck configuration with an absolute maximum bootstrap voltage of 120V. Its 3.7A peak source and 4.5A peak sink current capability allow the UCC27311A/UCC27311A-Q1 to drive large power MOSFETs with minimized switching losses during the transition through the Miller Plateau. The switching node (HS pin) can handle the negative transient voltage, protecting the high-side channel from inherent negative voltages caused by stray capacitance and parasitic inductance.

The inputs are independent of supply voltage and can withstand -10V and +20V absolute maximum ratings. The low-side and high-side gate drivers are matched to 4ns between the turn on and turn off of each other and are controlled through the LI and HI input pins, respectively. An on-chip 120V-rated bootstrap diode eliminates the need to add discrete bootstrap diodes. Undervoltage lockout (UVLO) is provided for both the low-side and the high-side drivers, which offers symmetric turn-on and turn-off behavior. This feature forces the outputs low if the drive voltage is below the specified threshold. The Texas Instruments UCC27311A-Q1 devices are AEC-Q100 qualified for automotive applications.

Features

  • Drives two N-channel MOSFETs in a half-bridge configuration
  • -40°C to +150°C junction temperature range
  • 120V abs max voltage on HB pin
  • 3.7A sink, 4.5A source output currents
  • 8V to 17V VDD operating range (20V abs max) with UVLO
  • -(28-VDD)V abs max negative transient tolerance on HS pin (< 100ns pulse)
  • Integrated bootstrap diode
  • -10V to +20V abs max input pins tolerance, independent of supply voltage range (TTL compatible)
  • Switching parameters
    • 20ns typical propagation delay times
    • 7.2ns rise and 5.5ns fall time with 1000pF load
    • 4ns typical delay matching
  • Enable/disable functionality with low current consumption (3µA typical) when disabled

Applications

  • Solar power optimizers and micro inverters
  • Telecom and merchant power supplies
  • Online and offline UPS
  • Energy storage systems
  • Battery test equipment

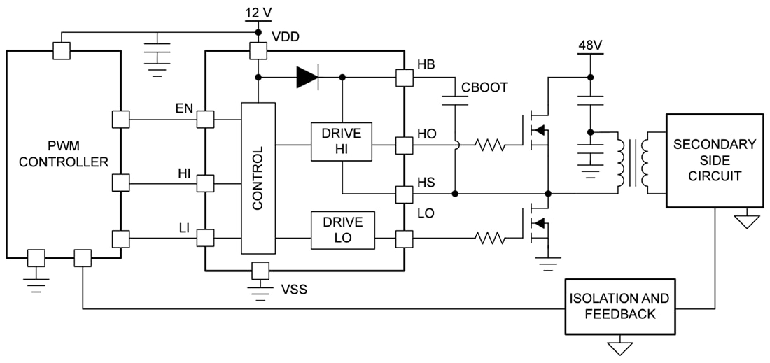
Typical Application Diagram

Application Circuit Diagram - Texas Instruments UCC27311A/UCC27311A-Q1 Half-Bridge Drivers
Publicado: 2024-10-17 | Actualizado: 2025-05-09