Texas Instruments TUSB322I USB Type-C™ Configuration Control

Texas Instruments TUSB322I USB Type-C™ Configuration Channel Logic and Port Control enable USB Type-C ports with the configuration channel (CC) logic needed for Type-C ecosystems. The TUSB322I uses the CC pins to determine port attach and detach, cable orientation, role detection, and port control for Type-C current mode. The device can be configured as a downstream facing port (DFP), upstream facing port (UFP), or a dual role port (DRP). This makes it ideal for any application. The TUSB322I alternates configuration as a DFP or UFP according to the Type-C specifications.

Features

  • USB Type-C™ specification 1.1
  • Backward compatible with USB Type-C specification 1.0
  • Supports up to 3A of current advertisement and detection
  • Mode configuration
    • Host only – DFP/Source (I2C Mode only)
    • Device only – UFP/Sink (I2C Mode only)
    • Dual role port – DRP
  • Channel Configuration (CC)
    • Attach of USB port detection
    • Cable orientation detection
    • Role detection
    • Type-C Current mode (Default, medium, high)+u
  • VBUS Detection
  • I2C or GPIO control
  • VCONN support for active cables
  • Cable detection and direction control for external switches
  • Role configuration control through I2C
  • 4.5V to 5.5V Supply voltage
  • Low current consumption
  • Industrial temperature range of –40 to 85°C

Applications

  • Host, device, dual role port applications
  • Mobile phones
  • Tablets and notebooks
  • USB peripherals

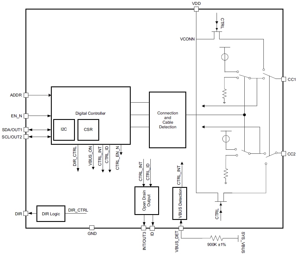
Functional Block Diagram

Block Diagram - Texas Instruments TUSB322I USB Type-C™ Configuration Control
Publicado: 2016-04-01 | Actualizado: 2022-03-11