Texas Instruments TPS65911 Power Management ICs (PMIC)
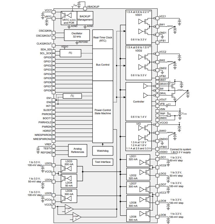
Texas Instruments TPS65911 Power Management ICs (PMIC) provide three step-down converters, one controller for external FETs to support high current rail, and eight LDOs. The device is designed to be a flexible PMIC for supporting different processors and applications. The TPS65911 is designed for applications powered by one Li-Ion or Li-Ion polymer battery cell, 3-series Ni-MH cells, or a 5V input, and multiple power rails required.Dynamic voltage scaling by a dedicated I2C interface is supported through dual processor cores. These processor cores are powered by two of the step-down converters, allowing optimum power savings. The third converter supplies power for the I/Os and memory in the system. The eight general-purpose LDO regulators deliver a wide range of voltage and current capabilities. Five of the LDO regulators supports 1 to 3.3V with a 100mV step. The remaining three regulators (LDO1, LDO2, LDO4) support 1.0 to 3.3V with a 50mV step. The I2C interface fully controls all the LDO regulators. The Embedded Power Controller (EPC) with EEPROM programmability manage the power sequencing requirements of systems and an RTC.
Features
- Two independent enable signals for controlling power resources (EN1, EN2)
- Alternatively, the EN1 and EN2 pins can be used as a high-speed I2C interface dedicated for voltage scaling for VDD1 and VDD2
- A Real-Time Clock (RTC) resource with:
- Oscillator for 32.768kHz crystal or 32kHz built-in RC oscillator
- Date, time, and calendar
- Alarm capability
- Nine configurable GPIOs with multiplexed feature support:
- Four can be used as enable for external resources, included in power-up sequence and controlled by state machine
- As GPI, GPIOs support logic-level detection and can generate maskable interrupt for wakeup
- Two of the GPIOs have 10mA current sink capability for driving LEDs
- DC-DC converters switching synchronization through an external 3MHz clock
- Two reset inputs:
- Cold Reset (HDRST)
- Power Initialization Reset (PWRDN) for thermal reset input
- 32kHz Clock and reset (NRESPWRON) for the system and an additional output for the reset signal
- Watchdog
- Two ON and OFF LED pulse generators and one PWM generator
- Two comparators for system control, connected to VCCS pin
- A JTAG and boundary scan (not accessible in functional mode [test purpose])
- Embedded Power Controller (EPC) with EEPROM programmability
- Two efficient step-down DC-DC converters for processor cores (VDD1, VDD2)
- One efficient step-down DC-DC converter for I/O power (VIO)
- One controller for external FETs (VDDCtrl)
- Dynamic Voltage Scaling (DVS) for processor cores
- Eight LDO voltage regulators and one RTC LDO (Supply for Internal RTC)
- Thermal shutdown protection and hot-die detection
- One high-speed I2C interface for General-Purpose Control Commands (CTL-I2C)
Applications
- Portable systems
- Hand-held systems
Block Diagram
Publicado: 2018-09-28
| Actualizado: 2023-05-31
