Texas Instruments TPS6282x Step-Down Converters

Texas Instruments TPS6282x Step-Down Converters are easy-to-use synchronous step-down DC-DC converters with a very low quiescent current of only 4µA. Based on the DCS-Control topology, it provides a fast transient response. The internal reference allows regulation of the output voltage down to 0.6V with a high feedback voltage accuracy of 1% over the junction temperature range of -40°C to 125°C. These devices supply up to 4A output current from a 2.4V to 5.5V input voltage. These devices are pin-to-pin and BOM-to-BOM compatible. The entire solution requires a small 470nH inductor, a 4.7μF input capacitor, and two 10μF or 22μF output capacitors.

The Texas Instruments TPS6282x includes an automatically entered power save mode to maintain high efficiency down to very light loads for extending the system battery run-time. The device features a Power Good signal and an internal soft start circuit. It can operate in 100% mode. It incorporates a HICCUP short circuit protection and a thermal shutdown for fault protection. The device is available in a 6-pin 1.5x1.5mm or 8-pin 2.0x1.5mm QFN package, offering the highest power density solution.

Features

  • DCS-Control™ topology
  • Up to 4A output current
  • 1% feedback voltage accuracy (full temperature range)
  • Up to 97% efficiency
  • 26mΩ and 25mΩ internal power MOSFETs
  • 2.4V to 5.5V input voltage range
  • 4μA operating quiescent current
  • 2.2MHz switching frequency
  • An adjustable output voltage from 0.6V to 4V
  • Enable (EN) and Power Good (PG)
  • Internal soft-start circuitry
  • Seamless power save mode transition
  • 100% duty-cycle mode
  • Active output discharge
  • Over temperature protection
  • HICCUP short-circuit protection
  • Undervoltage lockout (TPS62821, TPS62822, TPS62823)
  • Cycle-by-cycle current limit (TPS62821, TPS62822, TPS62823)

Applications

  • POL supply in portable/battery-powered devices
  • Factory and building automation
  • Mobile computing, networking cards
  • Data terminal, Point of Sale (POS)
  • Servers, projectors, and printers
  • Solid state drive
  • Video surveillance
  • Industrial PC

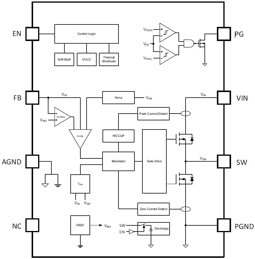
Functional Block Diagram

Block Diagram - Texas Instruments TPS6282x Step-Down Converters
Publicado: 2018-06-05 | Actualizado: 2023-02-10