Texas Instruments TPS61291 Low Iq Boost Converter
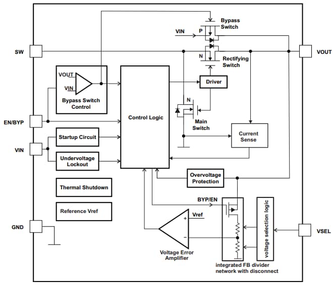
Texas Instruments TPS61291 Low Iq Boost Converter is a boost converter with pin-selectable output voltages and an integrated bypass mode. In bypass operation, the device provides a direct path from the input to the system and allows a low power microcontroller (MCU) such as the MSP430 to operate directly from a single 3V Li-MnO2 battery or dual alkaline battery cells. In bypass mode, the integrated feedback divider network for boost mode operation is disconnected from the output, and the quiescent current consumption drops down to only 15nA (typical). In boost mode, the device provides a minimum output current of 200mA at 3.3V VOUT from 1.8V VIN. The boost mode is used for system components that require a regulated supply voltage and cannot directly operate from the input source. The boost converter is based on a current-mode controller using synchronous rectification to obtain maximum efficiency and consumes typically 5.7µA from the output. During the startup of the Texas Instruments TPS61291, the VSEL pin is read out, and the integrated feedback network sets the output voltage to 2.5V, 3V, or 3.3V.Features
- Input voltage range 0.9V to 5V
- Startup voltage 1.5V at 20mA load
- Pin-selectable output voltages (3.3V, 3V, 2.5V)
- 15nA typical Quiescent current in bypass mode
- 5.7µA typical Quiescent current in boost mode
- Bypass switch from VIN to VOUT
- Controlled bypass transition prevents reverse current into the battery
- IOUT > 200mA at 3.3V VOUT, VIN = 1.8V
- Internal feedback divider disconnect (bypass mode)
- Power-save mode at light loads
- Overtemperature protection
- Redundant overvoltage protection
- Small 2mm × 2mm SON 6-pin package
Applications
- Metering (gas, water, smart meters)
- Single 3V Li-MnO2 or 2 x 1.5V alkaline cell powered applications
- Remote controls
- Home security / Home automation
Block Diagram
Simplified Schematic and Efficiency Curves
Publicado: 2014-10-14
| Actualizado: 2022-03-11
