Texas Instruments TPS51386 Synchronous Buck Converter
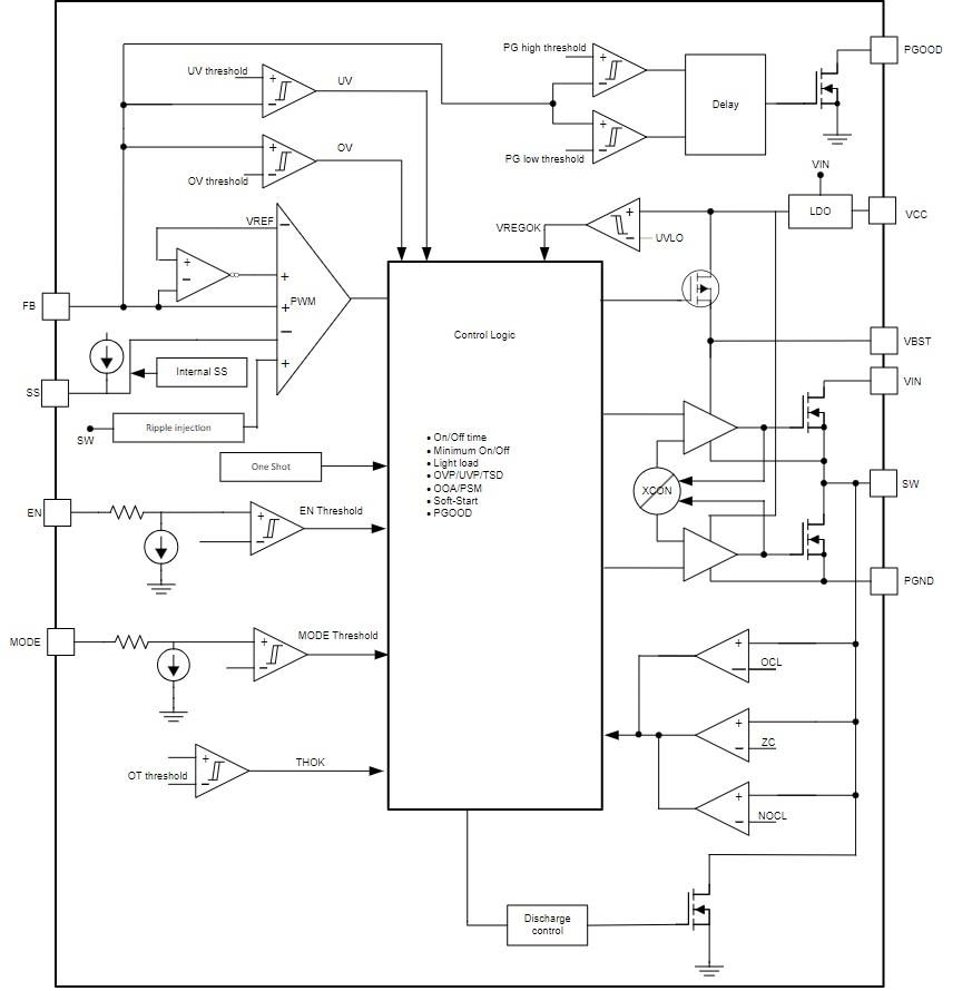
Texas Instruments TPS51386 Synchronous Buck Converter is a monolithic synchronous buck converter with adaptive on-time D-CAP3 control mode. This device exhibits a 4.5V to 24V input voltage range, 0.6V to 5.5V output voltage range, 8A continuous current (IOUT), and 84μA low quiescent current. The TPS51386 incorporates integrated low RDS(on) power MOSFETs to enable high efficiency and offer ease of use with minimum external component count for space-constrained power systems. This synchronous buck converter features accurate reference voltage, fast-load transient response, auto-skip mode operation for light-load efficiency, and Out-of-Audio™ (OOA) light-load operation with >25kHz switching frequency.The TPS51386 converter offers complete protections like Overvoltage Protection (OVP), Undervoltage Protection (UVP), Overcurrent Protection (OCP), Overtemperature Protection (OTP), and Undervoltage Lock Out protection (UVLO). Typical applications include notebooks, PCs, computers, ultrabooks, tablet computers, TVs, STBs, Point-of-Load (POL), and distributed power systems.
Features
- 4.5V to 24V input voltage range
- 0.6V to 5.5V output voltage range
- Integrated 22mΩ and 11mΩ MOSFETs
- Support 8A continuous current (IOUT)
- D-CAP3™ control mode for fast transient response
- 84µA low quiescent current
- ±1% reference voltage 0.6V at 25°C
- ±1.5% reference voltage 0.6V at –40°C to 125°C
- 600kHz switching frequency
- Supports POSCAP and all MLCC output capacitor
- Selectable PSM and Out-of-Audio™ (OOA) mode under light load and supports on-the-fly change
- Adjustable soft start and internal 1ms soft start
- Large-duty operation support
- Power-good indicator to monitor output voltage
- Latched output OV and UV protection
- Non-latched UVLO and OT protection
- Cycle-by-cycle overcurrent protection
- Built-in output discharge feature
- Small 2mm × 3mm HotRod™ QFN package
Applications
- Notebooks
- PC computers
- Ultrabooks
- Tablet computers
- TVs and STBs
- Point-of-Load (POL)
- Distributed power systems
Block Diagram
Typical Application Circut
Publicado: 2024-01-22
| Actualizado: 2024-02-19
