Texas Instruments TPS25940/TPS25940-Q1 eFuse Power Switch

Texas Instruments TPS25940/TPS25940-Q1 eFuse Power Switch is a compact, feature-rich power management device with a full suite of protection functions. These functions include a low-power DevSleep™ mode that supports compliance with the SATA™ Device Sleep standard. The wide operating range allows control of many popular DC bus voltages. Integrated back-to-back FETs provide bidirectional current control. These FETs make it well suited for systems with load-side hold-up energy that must not drain back to a failed supply bus. Load, source, and device protection are provided with programmable features, including over current, dVo/dt ramp, and over-voltage, under-voltage thresholds. The device offers PGOOD, FLT, and precise current monitor output for system status monitoring and downstream load control. Precise programmable under-voltage, over-voltage thresholds, and the low IQ DevSleep mode simplify SSD power management design. The Texas Instruments TPS25940-Q1 devices are AEC-Q100 qualified for automotive applications.

Features

  • 2.7V – 18V operating voltage, 20V (max.)
  • 42mΩ RON (typical)
  • 0.6A to 5.3A adjustable current limit (±8%)
  • IMON current indicator output (±8%)
  • 200µA operating IQ (typical)
  • 95µA DevSleep mode IQ (typical)
  • 15µA disabled IQ (typical)
  • ±2% overvoltage, undervoltage threshold
  • Reverse current blocking
  • 1µs reverse voltage shutoff
  • Programmable dVo/dt control
  • Power Good and fault outputs
  • –40°C to 125°C junction temperature range
  • UL 2367 recognized
    • File No. 169910
    • RILIM ≥ 20kΩ (4.81A max)
  • UL60950 - safe during single point failure test
    • Open/short ILIM detection

Applications

  • PCIe/SATA/SAS HDD and SSD drives
  • Enterprise and microservers
  • Smart load switch
  • Set-Top-Box (STB), DTVs, and game consoles
  • RAID cards - holdup power management
  • Telecom switches and routers
  • Adapter powered devices

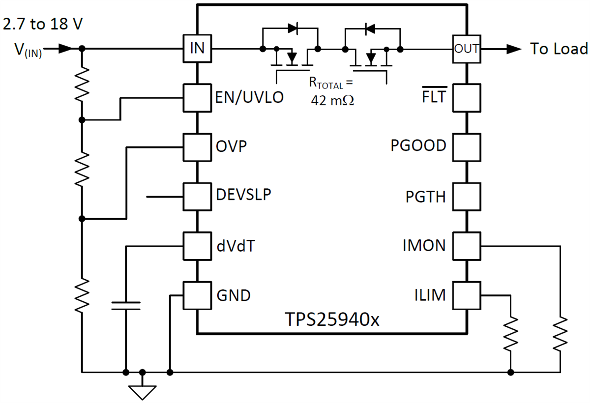
Simplified Schematic

Schematic - Texas Instruments TPS25940/TPS25940-Q1 eFuse Power Switch
Publicado: 2017-03-02 | Actualizado: 2022-04-06