Texas Instruments TPS1214-Q1 Automotive High Side Switch Controllers
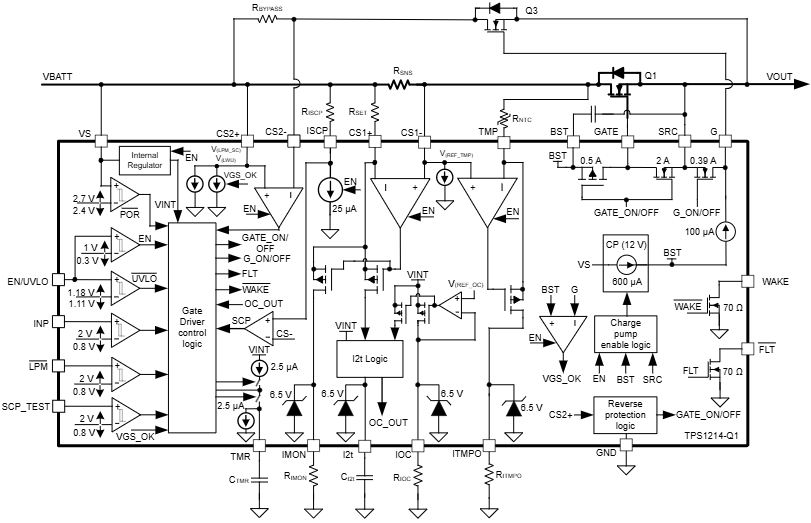
Texas Instruments TPS1214-Q1 Automotive High Side Switch Controllers are a family of low IQ smart high-side drivers with protection, low-power mode, load wakeup, I2t, and diagnostics. These controllers include a 3.5V to 73V input range and a 74V absolute maximum rating suitable for designs for 12V, 24V, and 48V automotive systems. The TPS1214-Q1 switch controllers feature dual integrated gate drives with 0.5A source and 2A sink (GATE) and 100μA source and 0.39A sink (G). These controllers include ±2% accurate current sensing output (IMON) with adjustable I2t based overcurrent and short circuit protection. The TPS1214-Q1 devices are AEC-Q100 qualified for automotive applications. These controllers are available in 4mm x 4mm 23-pin VQFN package. Typical applications include a power distribution box, body control mode module, DC/DC converter, and battery management system.Features
- AEC-Q100 automotive qualified for grade 1 temperature
- 3.5V to 73V (74V absolute maximum) input voltage range
- -65V reverse input protection
- TPS12141-Q1 with reverse FET ON (-45V)
- 12V integrated charge pump
- Low IQ = 20µA in low-power mode
- Low 1µA shutdown current (EN/UVLO = low)
- Dual gate drive:
- GATE: 0.5A source and 2A sink
- G: 100μA source and 0.39A sink
- Accurate I2t overcurrent protection (IOC) with adjustable circuit breaker timer (I2t)
- 5µs accurate and fast short-circuit protection
- ±2% at 30mV VSNS accurate analog current monitor output (IMON)
- NTC-based overtemperature sensing (TMP) and monitoring output (ITMPO)
- Fault indication (FLT) during short circuit fault, I2t, charge pump UVLO
- TPS12142-Q1 (RPP turn OFF) and TPS12143-Q1 (RPP turn ON) with I2t disabled
- Accurate and adjustable Undervoltage Lockout (UVLO)
- Short-circuit comparator diagnosis (SCP_TEST)
Applications
- Power distribution box
- Body control module
- DC/DC converter
- Battery management system
Functional Block Diagram
Application Circuit Diagram
Configurable Current vs Time Characteristics Curve
Publicado: 2025-01-23
| Actualizado: 2025-04-14
