Texas Instruments TLC696x2/4/8/TLC696x2/4/8-Q1 Backlight Drivers
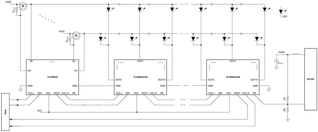
Texas Instruments TLC696x2/4/8TLC696x2/4/8-Q1 Backlight Drivers are a family of LCD local dimming backlight drivers compatible with TLC696x0/TLC696x0-Q1, a scan MOSFET controller to achieve 2/4/8 time-multiplexing control. Each device integrates 16 constant current sinks with the corresponding size of SRAM for brightness storage. The device connects by a two-wire serial interface in daisy chain topology and supports up to 1024 devices for more than 32,000 local dimming zones.The device equips with an adaptive headroom voltage control scheme to control DC/DC directly to optimize system efficiency. Only the FB pin from the last device in the serial chain should be connected to DC/DC to achieve a simplified system layout. The device also integrates minimum brightness update latency, black insertion, and VRR features to improve display quality.
Texas Instruments TLC696x2/4/8TLC696x2/4/8-Q1 has three error flags: LED open detection (LOD), LED short detection (LSD), and thermal shutdown detection (TSD) for diagnostic. The device implements two options for readback, including UART/INT and SOUT/CLK_O, which is programmable by a register. The LMR140x0-Q1 devices are AEC-Q100 qualified for automotive applications.
Features
- 3V to 5.5V operating voltage VCC range
- 16 constant current sinks with high precision
- Maximum output current/voltage
- 30mA/20V: TLC69602/4/8/TLC69602/4/8-Q1
- 60mA/20V: TLC69612/4/8/TLC69612/4/8-Q1
- 30mA/50V: TLC69652/4/8/TLC69652/4/8-Q1
- 60mA/50V: TLC69662/4/8/TLC69662/4/8-Q1
- ±2% (typ.) device-to-device error
- ±2% (typ.) channel-to-channel error
- Maximum output current/voltage
- Flexible dimming control
- Global 8-bit Maximum Current (MC) setting
- Brightness resolution of up to 15-bit
- PWM/Hybrid control mode
- High-speed daisy chain interface
- I/O voltage compatible with 1.8V/3.3V
- Data transfer rate: up to 20MHz
- High system efficiency
- Adaptive headroom voltage control (AHVC)
- Ultra-low device power consumption
- ICC ≤ 200uA in standby mode
- ICC ≤ 3.5mA in normal mode
- EMI enhancement
- Programmable interface driving capability
- Integrated four phase-shifting schemes
- Display quality improvement
- Minimum brightness update latency
- Programmable black insertion
- Variable refresh rate (VRR) without flickering
- Diagnostics
- LED open/short detection for each zone
- Device thermal shutdown detection
- Report interface option
- UART and interrupt pin (INT)
- Two-wire output: CLK_O and SOUT
Applications
- LCD local dimming backlight
- TV
- Monitor
- Notebook
- Tablet
Datasheets
Simplified Schematic
