Texas Instruments THVD1406/THVD1426 Half-Duplex RS-485 Transceivers

Texas Instruments THVD1406/THVD1426 Half-Duplex RS-485 Transceivers are designed for industrial applications. The THVD14x6 Transceivers offer an auto direction control using the data input pin. This feature reduces the reliance on separate pins for driver-enable and receiver-enable functionality. Furthermore, the number of isolation channels or GPIO pins is diminished for logic control. The bus pins are immune to high levels of IEC ESD events eliminating the need for additional system-level protection components.

The TI THVD1406/THVD1426 Half-Duplex RS-485 Transceivers operate from a single 3V to 5.5V supply. The devices are ideal for multi-point applications over long cable runs via a wide common-mode voltage range and low input leakage on bus pins.

For drop-in compatibility, the THVD14x6 Transceivers are housed in an industry-standard, 8-pin SOIC package or small, space-saving SOT package. The devices are characterized by ambient temperatures from –40°C to 125°C.

Features

  • Meets or exceeds the requirements of the TIA/EIA-485A standard
  • 3V to 5.5V Supply voltage
  • Auto-direction control using the data input pin
  • Half-duplex RS-422/RS-485
  • Data rates
    • 500kbps THVD1406
    • 12Mbps THVD1426
  • Bus I/O protection
    • ±16kV HBM ESD
    • ±12kV IEC 61000-4-2 Contact discharge
    • ±15kV IEC 61000-4-2 Air gap discharge
    • ±4kV IEC 61000-4-4 Fast transient burst
  • ±16V bus fault protection
  • Small, space-saving 8-Pin SOT package option (2.1mm x 1.2mm)
  • -40°C to 125°C Extended industrial temperature range
  • Large receiver hysteresis for noise rejection
  • Low power consumption
    • 3µA (typ) Low standby supply current
    • 1.7mA (typ) Quiescent current during operation
  • Glitch-free power-up, power-down for hot plug-in capability
  • Open, short, and idle bus fail-safe
  • 1/8 Unit load (Up to 256 bus nodes)

Applications

  • Factory automation and control
  • Building automation
  • HVAC systems
  • Video surveillance
  • Smart meters

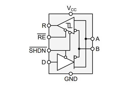
Simplified Schematic

Schematic - Texas Instruments THVD1406/THVD1426 Half-Duplex RS-485 Transceivers
Publicado: 2022-04-05 | Actualizado: 2023-09-13