Texas Instruments SN74LV373A D-Type Latches

Texas Instruments SN74LV373A D-Type Latches are octal transparent latches designed for 2VCC to 5.5VCC voltage range operation. These 2-state output latches support mixed-mode voltage operation on all ports. The SN74LV373A D-type latches feature a maximum tpd of 8.5ns at 5V. These latches are used in applications like printers, motor controls, network switches, server motherboards, and wireless infrastructures.

Features

  • VCC operation of 2V to 5.5V
  • Support mixed-mode voltage operation on all ports
  • Typical VOLP (output ground bounce):
    • <0.8V at VCC = 3.3V, TA = 25°C
  • Typical VOHV (output VOH undershoot):
    • >2.3V at VCC = 3.3V, TA = 25°C
  • Maximum tpd of 8.5ns at 5V
  • Ioff supports partial-power-down mode operation
  • Latch-up performance exceeds 250mA per JESD 17

Applications

  • Printers
  • Motor controls
  • Network switches
  • Server motherboards
  • Wireless infrastructures

Functional Block Diagram

Block Diagram - Texas Instruments SN74LV373A D-Type Latches

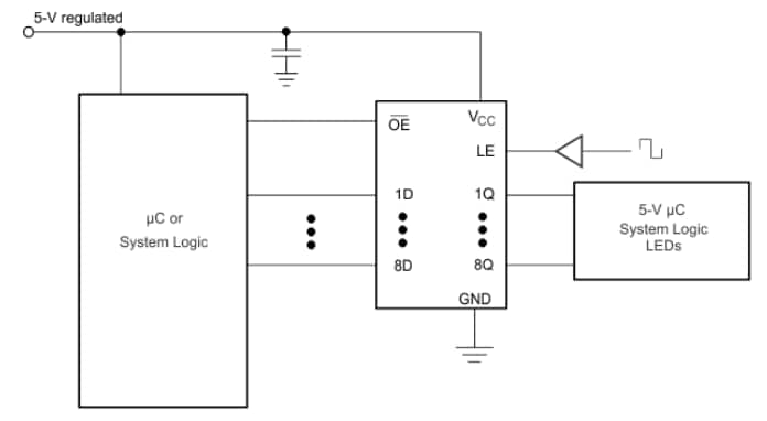
Typical Application Schematic Diagram

Schematic - Texas Instruments SN74LV373A D-Type Latches
Publicado: 2024-12-24 | Actualizado: 2025-01-03