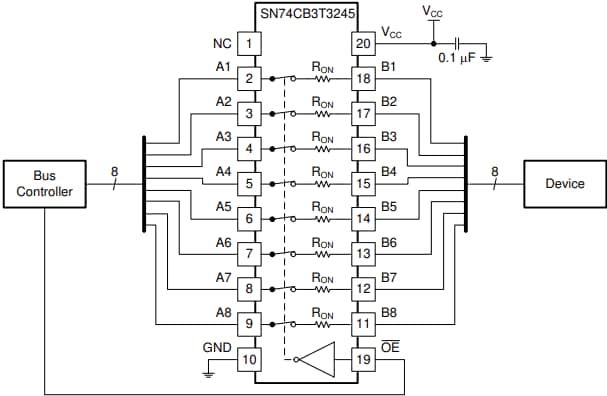
Texas Instruments SN74CB3T3245 8-Bit FET Bus Switches
Texas Instruments SN74CB3T3245 8-Bit FET Bus Switches are high-speed, TTL-compatible switches with low ON-state resistance (RON) for minimal propagation delay. These bus switches support mixed-mode signal operation on all data I/O ports by providing voltage translation that tracks VCC. The SN74CB3T3245 bus switches feature a standard 245-type pinout, 5V-tolerant I/Os with device powered up or powered down, and output voltage translation tracks. Typical applications include level translation, PCI interface, USB interface, memory interleaving, and bus isolation.Features
- Standard 245-type pinout
- Output voltage translation tracks VCC
- Supports mixed-mode signal operation on all data I/O ports:
- 5V input down to 3.3V output level shift with 3.3V VCC
- 5V/3.3V input down to 2.5V output level shift with 2.5V VCC
- 5V-tolerant I/Os with device powered up or powered down
- Bidirectional data flow with near-zero propagation delay
- Low ON-state resistance (RON) characteristics (RON = 5Ω typical)
- Low Input, output capacitance minimizes loading (CIO(OFF) = 5pF typical)
- Data and control inputs provide undershoot clamp diodes
- Low power consumption (ICC = 40μA maximum)
- VCC operating range from 2.3V to 3.6V
- Data I/Os support 0 to 5V signaling levels (0.8V, 1.2V, 1.5V, 1.8V, 2.5V, 3.3V, and 5V)
- Control inputs can be driven by TTL or 5V/3.3V CMOS outputs
- Ioff supports partial-power-down mode operation
- Latch-up performance exceeds 250mA per JESD 17
- ESD performance tested per JESD 22:
- 2000V human-body model (A114-B, Class II)
- 1000V charged-device model (C101)
- Designed for low-power portable equipment
Applications
- Level translation
- PCI interface
- USB interface
- Memory interleaving
- Bus isolation
Functional Block Diagram
Typical Application Schematic
Typical Characteristics Curve
Publicado: 2025-09-29
| Actualizado: 2025-10-13
