Texas Instruments SN74LVC257A/SN74LVC257A-Q1 Data Multiplexers

Texas Instruments SN74LVC257A/SN74LVC257A-Q1 Data Selectors/Multiplexers are quadruple 2-line to 1-line devices with 4.6ns maximum propagation delay time at 3.3V. These data selectors/multiplexers are designed to multiplex signals from 4-bit data sources to 4-output data lines in bus-organized systems. The 3-state outputs do not load the data lines when the output-enable input is at a high logic level. The SN74LVC257A-Q1 data selectors/multiplexers are qualified for automotive applications and are designed to operate within the 2.7VCC to 3.6VCC voltage range. These data selectors/multiplexers are used in I/O expanders, motor drivers, servers, network switches, and telecom infrastructures.

Features

  • 4.6ns maximum propagation delay time at 3.3V
  • Inputs accept voltages to 5.5V
  • <0.8V typical VOLP (output ground bounce) at VCC=3.3V, TA=25°C
  • >2V typical VOHV (output VOH undershoot) at VCC=3.3V, TA=25°C
  • SN74LVC257A-Q1:
    • Qualified for automotive applications
    • Operates from 2V to 3.6V voltage range
    • ESD protection exceeds 2000V per MIL-STD-883, method 3015
  • SN74LVC257A:
    • Operates from 1.65V to 3.6V voltage range
    • Latch-up performance exceeds 250mA per JESD 17
    • ESD protection exceeds JESD 22:
      • 2000V human-body model (A114-A)
      • 200V machine model (A115-A)

Applications

  • I/O expanders
  • Motor drivers
  • Servers
  • Network switches
  • Telecom infrastructures
  • Tests and measurements
  • Cable modem termination systems

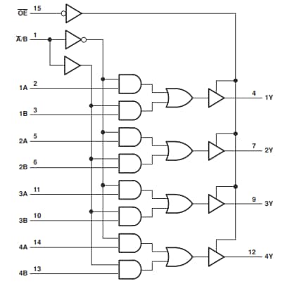
Functional Block Diagram

Block Diagram - Texas Instruments SN74LVC257A/SN74LVC257A-Q1 Data Multiplexers
Publicado: 2024-07-18 | Actualizado: 2024-08-28