Texas Instruments RM42L232 16/32-Bit RISC Flash Microcontroller
Texas Instruments RM42L232 16/32-Bit RISC Flash Microcontroller (MCU) is a high-performance microcontroller for safety systems. The safety architecture includes dual CPUs in lockstep, CPU and memory BIST logic, ECC on both the flash and the data SRAM, parity on peripheral memories, and loopback capability on peripheral I/Os. The Texas Instruments RM42L232 device integrates the Arm® Cortex®-R4 CPU. The CPU offers an efficient 1.66 DMIPS/MHz and has configurations that can run up to 100MHz, providing up to 166 DMIPS. The device operates in little-endian (LE) mode.Features
- High-performance microcontroller for safety-critical applications
- Arm®Cortex®-R4 32-bit RISC CPU
- Operating conditions
- 100MHz system clock
- Core supply voltage (VCC): 1.2V nominal
- I/O supply voltage (VCCIO): 3.3V nominal
- ADC supply voltage (VCCAD): 3.3V nominal
- Integrated memory
- 384KB of program Flash with ECC
- 32KB of RAM with ECC
- 16KB of Flash for emulated EEPROM with ECC
- Hercules™ common platform architecture
- Frequency-Modulated Phase-Locked Loop (FMPLL) with built-in slip detector
- IEEE 1149.1 JTAG boundary scan and Arm CoreSight™ components
- Advanced JTAG Security Module (AJSM)
- Multiple communication interfaces
- Next Generation High-End Timer (N2HET) module
- Enhanced Quadrature Encoder Pulse (eQEP) module
- 12-Bit multibuffered Analog-to-Digital Converter (ADC) module
- Up to 45 General-Purpose Input/Output (GPIO) pins
- Package
- 100-pin quad flatpack
Applications
- Industrial safety applications
- Industrial automation
- Safe Programmable Logic Controllers (PLCs)
- Power generation and distribution
- Turbines and windmills
- Elevators and escalators
- Medical applications
- Ventilators
- Defibrillators
- Infusion and insulin pumps
- Radiation therapy
- Robotic surgery
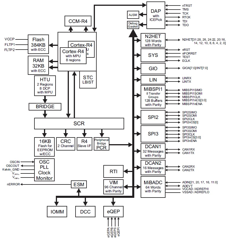
Functional Block Diagram
Publicado: 2016-06-14
| Actualizado: 2022-03-11
