Texas Instruments OPA3S2859 Programmable Gain TIAs

Texas Instruments OPA3S2859 Programmable Gain Transimpendance Amplifiers (TIA) are wideband, low-noise programmable gain amplifiers with CMOS inputs for wideband transimpedance and voltage amplifier applications. Utilizing the OPA3S2859 as a transimpedence amplifier (TIA), the 0.9GHz gain bandwidth product (GBWP) delivers high closed-loop bandwidths in low-capacitance photodiode (PD) applications.

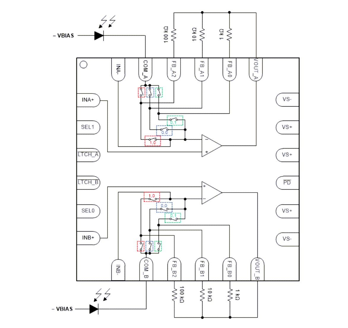
The TI OPA3S2859 offers three internal switched feedback paths and an optional parallel non-switched feedback path that facilitates up to four selectable gain configurations. The internal switches minimize parasitic contributions to boost performance compared to systems that use discrete external switches. Each switch is optimized for feedback resistor values from <1kΩ to >100kΩ for wide dynamic range applications. The designated switch path is controlled for both channels using a 2-wire parallel interface. For each channel set, the gain path can also be held constant by exerting the latch pin, which turns off the switch control for the selected channel and prevents the channel from changing gain. The OPA3S2859-EP devices have gold bond wires, a temperature range of –55 to +105°C, and an SnPb lead finish.

Features

  • Gain bandwidth product of 900MHz
  • Internal switches for programmable gain
  • High-impedance FET inputs
  • Input voltage noise of 2.2nV/√Hz
  • Slew rate of 350V/μs
  • Supply voltage range of 3.3V to 5.25V
  • Quiescent current of 22mA/channel
  • Power down mode IQ of 75μA
  • Temperature range of -55°C to 125°C
  • Supports defense, aerospace, and medical applications
    • Controlled baseline
    • One assembly and test site
    • One fabrication site
    • Extended product life cycle
    • Extended product-change notification
    • Product traceability

Applications

  • Switchable transimpedance amplifier
  • Smart munitions
  • Laser distance measurement
  • Optical time domain reflectometry (OTDR)
  • Silicon photomultiplier (SiPM) buffer
  • Photomultiplier tube post-amplifier
  • High-speed programmable gain amplifier

Block Diagram

Block Diagram - Texas Instruments OPA3S2859 Programmable Gain TIAs

Transimpedance Bandwidth vs Frequency

Performance Graph - Texas Instruments OPA3S2859 Programmable Gain TIAs
Publicado: 2024-01-29 | Actualizado: 2024-06-27