Texas Instruments LP8752x-Q1 Four-Phase 10A Buck Converters
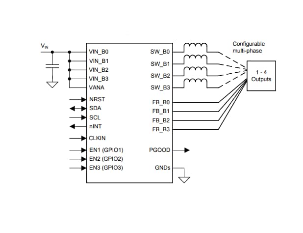
Texas Instruments LP8752x-Q1 Four-Phase 10A Buck Converters are designed to meet the power management requirements of processors and platforms in various automotive power applications. These devices contain four step-down DC-DC converter cores, which are configured as 4 single-phase outputs. These devices are controlled by an I2C-compatible serial interface and by enabling signals.The automatic PFM/PWM (AUTO mode) operation maximizes efficiency over a wide output current range. The LLP8752x-Q1 supports remote voltage sensing to compensate for IR drop between the regulator output and the point-of-load (POL) thus improving the accuracy of the output voltage. In addition, the switching clock can be forced to PWM mode and also synchronized to an external clock to minimize the disturbances.
The LP8752x-Q1 supports load-current measurement without the addition of external current-sense resistors. The LP8752x-Q1 also supports programmable start-up and shutdown delays and sequences synchronized to enable signals. These sequences can include GPIO signals to control external regulators, load switches, and a processor reset. During start-up and voltage change, the device controls the output slew rate to minimize output voltage overshoot and the in-rush current.
Features
- Qualified for automotive applications
- AEC-Q100 Qualified with the following results:
- –40°C to +125°C ambient operating temperature
- 2.8V to 5.5V Input voltage
- 0.6V to 3.36V Output voltage
- Four high-efficiency step-down DC-DC converter cores:
- Total output current up to 10A
- Output voltage slew-rate 3.8mV/µs
- 4MHz Switching frequency
- Spread-spectrum mode and phase interleaving
- Configurable General Purpose I/O (GPIOs)
- I2C-Compatible interface which supports standard (100kHz), fast (400kHz), fast+ (1MHz), and high-speed (3.4MHz) modes
- Interrupt function with programmable masking
- Programmable Power Good Signal (PGOOD)
- Output short-circuit and overload protection
- Overtemperature warning and protection
- Overvoltage Protection (OVP) and Undervoltage Lockout (UVLO)
Applications
- Automotive infotainment
- Cluster
- Radar
- Camera power
Schematic
