Texas Instruments ISOW7721 Two-Channel Digital Isolator
Texas Instruments ISOW7721 Two-Channel Digital Isolator is a galvanically-isolated digital isolator with an integrated high-efficiency power converter with low emissions. The integrated DC-DC converter provides up to 550mW of isolated power. This feature eliminates the need for a separate isolated power supply in space-constrained isolation designs. If additional power is needed, the Texas Instruments ISOW7721 supports multi-device chaining, increasing the integrated power output to > 1W using two devices in a system.Features
- 100Mbps data rate
- Integrated DC-DC converter with low-emissions, low-noise
- Emissions optimized to meet CISPR 32 and EN 55032 Class B with > 5dB margin on 2-layer board
- Low-frequency power converter at 25MHz enabling low noise performance
- 24mV low output ripple
- High-efficiency output power
- 46% efficiency at max load
- Up to 0.55W output power
- VISOOUT accuracy of ± 5%
- Max available load current of 110mA at 5V to 5V
- Max available load current of 140mA at 5V to 3.3V
- Max available load current of 60mA at 3.3V to 3.3V
- Support for a multi-ISOW7721 chain to increase system power output to > 1W and > 200mA
- Independent power supply for channel isolator and power converter
- 1.71V to 5.5V logic supply (VIO)
- 3V to 5.5V power converter supply (VDD)
- Robust electromagnetic compatibility (EMC)
- System-level ESD, EFT, and surge immunity
- ±8kV IEC 61000-4-2 contact discharge protection across the isolation barrier
- Reinforced and Basic isolation options
- High CMTI (100kV/µs (typical))
- Safety Related Certifications (Planned)
- VDE reinforced and basic insulation per DIN VDE V 0884-11:2017-01
- UL 1577 component recognition program
- IEC 62368-1, IEC 61010-1, IEC 60601-1 and GB 4943.1-2011 certifications
- –40°C to +125°C extended temperature range
- 20-pin wide-body SOIC package
Applications
- Factory automation
- Motor control
- Grid infrastructure
- Medical equipment
- Test and measurement
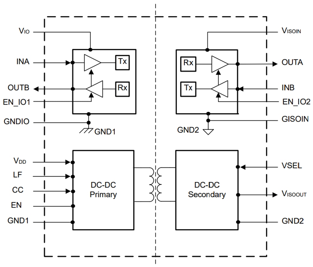
Simplified Schematic
Publicado: 2022-08-26
| Actualizado: 2022-09-02
