Texas Instruments ISO6463 Digital Isolator
Texas Instruments ISO6463 Digital Isolator is a six-channel device designed for applications requiring up to 5000VRMS isolation rating per UL 1577. This general purpose isolator is also certified by VDE, TUV, CSA, and CQC. The ISO6463 isolator provides high EMC performance while isolating CMOS or LVCMOS digital I/Os. This isolator operates at 2.25V to 5.5V supply voltage and -40°C to 125°C temperature range. The ISO6463 isolator device have three reverse-direction channels. This digital isolator is available in wide-SOIC (DW-16) package. The ISO6463 digital isolator is ideal for power supplies, grid, electricity meter, motor drives, factory automation, building automation, and lighting.
Features
- Functional safety-capable (planned)
- Documentation available to aid IEC 61508 system design
- Up to 150Mbps data rate
- Robust SiO2 isolation barrier:
- High lifetime at up to 1061VRMS and 1500VDC working voltage
- Up to 5000VRMS isolation rating
- Up to 10.4kV surge capability
- Up to ±200kV/μs minimum CMTI
- -40°C to 125°C ambient operating temperature range
- 2.25V to 5.5V supply voltage range
- Overvoltage-tolerant inputs
- 10ns maximum at 5V and 12ns maximum at 3.3V low propagation delay
- Supports SPI up to 25MHz at 5V and 20.8MHz at 3.3V
- Low pulse width distortion 1.8ns maximum at 5V and 2.2ns maximum at 3.3V
- Robust Electromagnetic Compatibility (EMC):
- System-level ESD, EFT, and surge immunity
- Low emissions
- Wide-SOIC (DW-16) package
- Safety-related certifications (Planned):
- DIN EN IEC 60747-17 (VDE 0884-17)
- UL 1577 component recognition program
- IEC 62368-1, IEC 61010-1, IEC 60601-1 and GB 4943.1 certifications
Applications
- Power supplies
- Grid and electricity meter
- Motor drives
- Factory automation
- Building automation
- Lighting
- Appliances
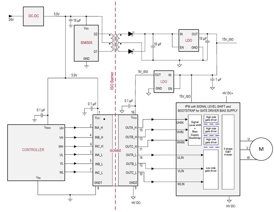
6-Channel Typical Application
Diagram of an OOK Based Digital Isolator
Publicado: 2026-02-02
| Actualizado: 2026-03-04
