Texas Instruments DS90UR905Q FPD-Link II Serializer
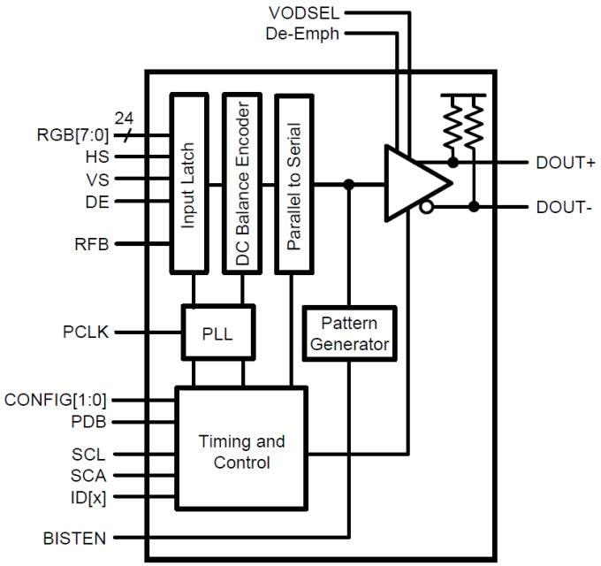
Texas Instruments DS90UR905Q FPD-Link II Serializer translates a parallel RGB Video Interface into a high-speed serialized interface over a single pair. This serial bus scheme greatly eases system design by eliminating skew problems between clock and data, reduces the number of connector pins, reduces the interconnect size, weight, and cost, and overall eases PCB layout. In addition, internal DC balanced decoding is used to support AC-coupled interconnects. The DS90UR905Q embeds the clock, balances the data payload, and level shifts the signals to high-speed low voltage differential signaling. Up to 24 inputs are serialized along with the three video control signals. This supports full 24-bit color or 18-bit color and 6 general purpose signals (e.g. Audio I2S) applications.Features
- 5 – 65MHz PCLK support (140Mbps – 1.82Gbps)
- AC coupled STP interconnect cable up to 10 meters
- Integrated terminations on Ser and Des
- @ Speed link BIST mode and reporting pin
- Optional I2C compatible Serial Control Bus
- RGB888 + VS, HS, DE support
- Power down mode minimizes power dissipation
- 1.8V or 3.3V compatible LVCMOS I/O interface
- Automotive grade product: AEC-Q100 Grade 2 qualified
- >8 kV HBM and ISO 10605 ESD Rating
- Backward compatible mode for operation with older generation devices
Applications
- Automotive displays
- Navigation
- Entertainment
Block Diagram
Videos
Publicado: 2013-10-09
| Actualizado: 2024-06-25
