Texas Instruments DS90UB662-Q1 Quad FPD-Link III Deserializer Hub
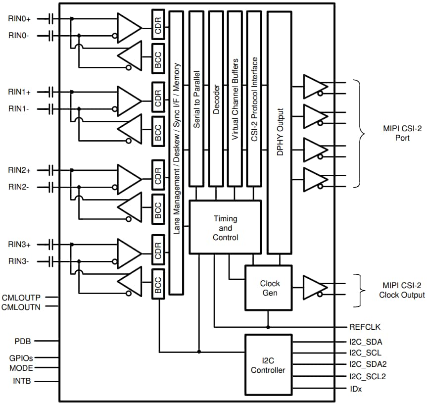
Texas Instruments DS90UB662-Q1 Quad FPD-Link III Deserializer Hub is a versatile sensor hub capable of connecting serialized sensor data received from four independent video data streams through an FPD-Link III interface. When paired with a DS90UB633A-Q1 or DS90UB63x CSI-2 serializer, the DS90UB662-Q1 receives data from 1-megapixel image sensors supporting 720p/800p/960p/1MP resolution at 30Hz or 60Hz frame rates. Data is received and aggregated into a MIPI CSI-2 compliant output for interconnection to a downstream processor.The Texas Instruments DS90UB662-Q1 includes four FPD-Link III deserializers, each enabling a connection through cost-effective 50Ω single-ended coaxial or 100Ω differential STP cables. The receive equalizers automatically adapt to compensate for cable loss characteristics, including degradation over time. Each FPD-Link III interface also includes a separate low-latency bidirectional control channel continuously conveying I2C, GPIOs, and other control information. General-purpose I/O signals, such as those required for camera synchronization and diagnostics features, also use this bidirectional control channel.
The DS90UB662-Q1 is AEC-Q100 qualified for automotive applications and is offered in a cost-effective and space-saving 64-pin VQFN package.
Features
- AEC-Q100 qualified for automotive applications:
- –40C to +105C ambient operating temperature range (device temperature grade 2)
- Device HBM ESD Classification Level ±3kV
- Device CDM ESD Classification Level C5
- Quad deserializer hub aggregates data from up to 4 sensors simultaneously supports
- Supports 1-megapixel sensors with up to 60Hz frame rate and 2-megapixel sensors with up to 30Hz frame rate
- Precise multi-camera synchronization
- MIPI DPHY version 1.2 / CSI-2 version 1.3 compliant
- One × CSI-2 MIPI Output Port
- Supports 1, 2, 3, 4 data lanes
- CSI-2 data rate scalable for 400Mbps/800Mbps/1.2Gbps/1.5Gbps/1.6Gbps per lane
- Ultra-low data and control path latency
- Supports single-ended coaxial including Power-over-Coax (PoC) or Shielded Twisted-Pair (STP) cable
- Adaptive receive equalization
- Dual I2C ports with fast mode plus up to 1Mbps
- Flexible GPIOs for sensor synchronization and diagnostics
- Compatible with DS90UB633A-Q1 serializer and DS90UB63x CSI-2 Serializers
- Internal programmable precision frame sync generator
- Line fault detection and advanced diagnostics
- Functional Safety-Capable
- Documentation available to aid the ISO 26262 system design
Applications
- Automotive ADAS
- Rear View Cameras (RVC)
- Surround View Systems (SVS)
- Camera Monitoring Systems (CMS)
- Forward Vision Cameras (FC)
- Driver Monitoring Systems (DMS)
- Satellite RADAR, Time-of-Flight (ToF), and LIDAR sensor modules
- Sensor fusion
- Security and surveillance
Functional Block Diagram
