Texas Instruments DRV8376-Q1 3-Phase Integrated FET Motor Drivers
Texas Instruments DRV8376-Q1 3-Phase Integrated FET Motor Drivers offer a gate drive and power stage for driving 4.5V to 65V brushless-DC motors. These motor drivers feature three 1/2-H bridges with 70V absolute maximum capability and a very low RDS(ON) of 400mΩ (high-side plus low-side). The DRV8376-Q1 motor drivers support up to 100kHz PWM frequency, a cycle-by-cycle current limit to limit phase current, active demagnetization, and 48V systems. These devices contain 6x or 3x PWM control options to implement sensored or sensorless Field-Oriented Control (FOC), sinusoidal control, or trapezoid control using an external microcontroller. The DRV8376-Q1 devices are AEC-Q100 qualified for automotive applications. Typical applications include Brushless-DC (BLDC) motor modules, HVAC motors, office automation machines, factory automation and robotics, wireless antenna motors, and drones.The DRV8376-Q1 motor drivers include a built-in 3.3V (5%), 30mA LDO regulator and a built-in 5V (5%), 30mA LDO regulator. The protection features are Under-Voltage Lockout (UVLO), Charge Pump Under Voltage (CPUV), Overcurrent Protection (OCP), Thermal Warning and Shutdown (OTW/OTSD), and Fault condition indication pin (nFAULT).
Features
- Three-phase BLDC motor driver:
- Supports 48V systems
- Supports up to 100kHz PWM frequency
- Active Demagnetization to reduce power losses
- Cycle-by-cycle current limit to limit phase current
- 4.5V to 65V operating voltage (70V absolute maximum)
- 4.5A peak high output current capability
- 400mΩ RDS(ON) (HS + LS) at TA = 25°C low MOSFET on-state resistance
- Adjustable slew rate options reduced switching loss with a 1.1V/ns slew rate and reverse recovery loss minimization technique
- Low audible noise and ease of motor control with ultra-low dead time <200ns, and propagation delay <100ns
- 1.5µA typical at VVM = 24V, TA = 25°C low-power sleep mode
- Multiple control interface options:
- 6x PWM control interface
- 3x PWM control interface
- Does not require external current sense resistors, built-in current sensing
- Flexible device configuration options:
- DRV8376S: 5MHz 16-bit SPI for device configuration and fault status
- DRV8376H: Hardware pin-based configuration
- Supports 1.8V, 3.3V, and 5V logic inputs
- Built-in 3.3V (5%), 30mA LDO regulator
- Built-in 5V (5%), 30mA LDO regulator
- Integrated protection features:
- Supply Under Voltage Lockout (UVLO)
- Charge Pump Under Voltage (CPUV)
- Overcurrent Protection (OCP)
- Thermal Warning and Shutdown (OTW/OTSD)
- Fault condition indication pin (nFAULT)
- Optional fault diagnostics over SPI
Applications
- Brushless-DC (BLDC) motor modules
- HVAC motors
- Office automation machines
- Factory automation and robotics
- Wireless antenna motor
- Drones
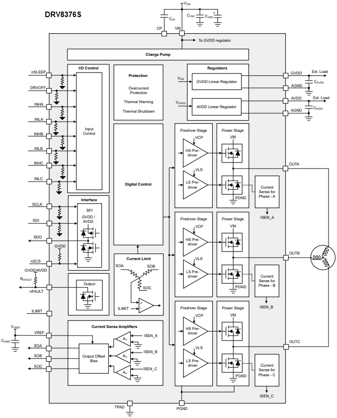
Schematic Diagram
Publicado: 2025-07-03
| Actualizado: 2025-07-28
