Texas Instruments bq25504 Ultra Low Power Boost Converters
Texas Instruments bq25504 Ultra Low Power Boost Converter with Battery Management is the first of a new family of intelligent integrated energy harvesting Nano-Power management solutions that are well suited for meeting the special needs of ultra low power applications. The bq25504 boost converter is specifically designed to efficiently acquire and manage the microwatts (µW) to milliwatts (mW) of power generated from a variety of DC sources like photovoltaic (solar) or thermal electric generators.The bq25504 is the first device of its kind to implement a highly efficient boost converter/charger targeted toward products and systems, such as wireless sensor networks (WSN) with stringent power and operational demands. The design of the Texas Instruments bq25504 starts with a DC-DC boost converter/charger that requires only microwatts of power to begin operating.
Features
- Ultra-Low Power With High-Efficiency DC/DC Boost Converter/Charger
- Continuous Energy Harvesting From Low Input Sources
- VIN ≥ 80mV(Typical)
- Ultra-Low Quiescent Current: IQ < 330nA (Typical)
- Cold-Start Voltage: VIN ≥ 330mV (Typical)
- Continuous Energy Harvesting From Low Input Sources
- Programmable Dynamic Maximum Power Point Tracking (MPPT)
- Integrated Dynamic Maximum Power Point Tracking for Optimal Energy Extraction From a Variety of Energy Generation Sources
- Input Voltage Regulation Prevents Collapsing Input Source
- Energy Storage
- Energy can be Stored to Re-Chargeable Li-ion Batteries, Thin-film Batteries, Super-Capacitors, or Conventional Capacitors
- Battery Charging and Protection
- User Programmable Undervoltage / Overvoltage Levels
- On-Chip Temperature Sensor with Programmable Overtemperature Shutoff
Applications
- Energy Harvesting
- Solar Charger
- Thermal Electric Generator (TEG) Harvesting
- Wireless Sensor Networks (WSN)
- Industrial Monitoring
- Environmental Monitoring
- Bridge / Structural Health Monitoring (SHM)
- Smart Building Controls
- Portable and Wearable Health Devices
- Entertainment System Remote Controls
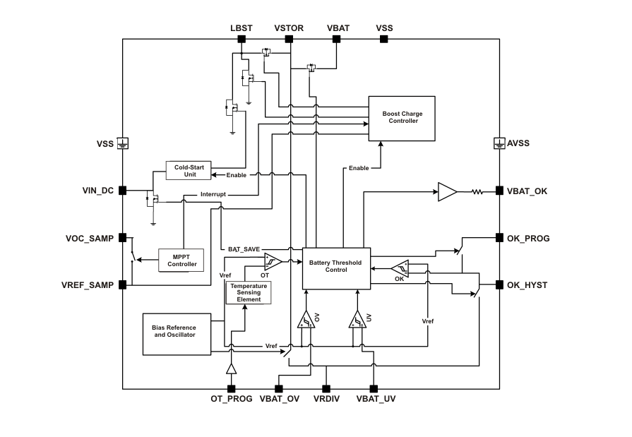
Block Diagram
Publicado: 2012-03-26
| Actualizado: 2020-12-14
