Texas Instruments AFE7953 2T2R RF Sampling Analog Front End

Texas Instruments AFE7953 2T2R RF Sampling Analog Front End (AFE) is a high-performance, wide-bandwidth multi-channel transceiver integrating two RF sampling receiver chains and two RF sampling transmitter chains. With operation up to 12GHz, this device enables direct RF sampling in the L, S, C, and X-band frequency ranges. This feature is done without the need for additional frequency conversion stages. This improvement in flexibility and density enables high-channel-count, multi-mission systems.

The TX signal paths support digital up and interpolation conversion options that deliver up to 400MHz of signal bandwidth per TX channel. The output of the DUCs drives a 12GSPS DAC (digital-to-analog converter) with a mixed-mode output option to enhance the 2nd Nyquist operation. The DAC output of the Texas Instruments AFE7951 includes a variable gain amplifier (TX DSA) with a 40dB range and 1dB analog and 0.125dB digital steps.

Features

  • Dual RF sampling 12GSPS transmit DACs
  • Dual RF sampling 3GSPS receive ADCs
  • Maximum RF signal bandwidth of 400MHz
  • 600MHz to 12GHz RF frequency range
  • Digital step attenuators (DSA)
    • TX: 40dB range, 0.125dB steps
    • RX: 25dB range, 0.5dB steps
  • Single or dual-band DUC or DDCs
  • 16x NCOs per TX or RX
  • Optional internal PLL or VCO for DAC or ADC clocks or external clock at DAC or ADC sample rate
  • SerDes data interface
    • JESD204B and JESD204C compatible
    • Eight SerDes transceivers up to 29.5Gbps
    • Subclass 1 multi-device synchronization
  • 17mm × 17mm FCBGA, 0.8mm pitch package

Applications

  • Radar
  • Seeker front end
  • Defense radio
  • Tactical communications infrastructure
  • Wireless communications test

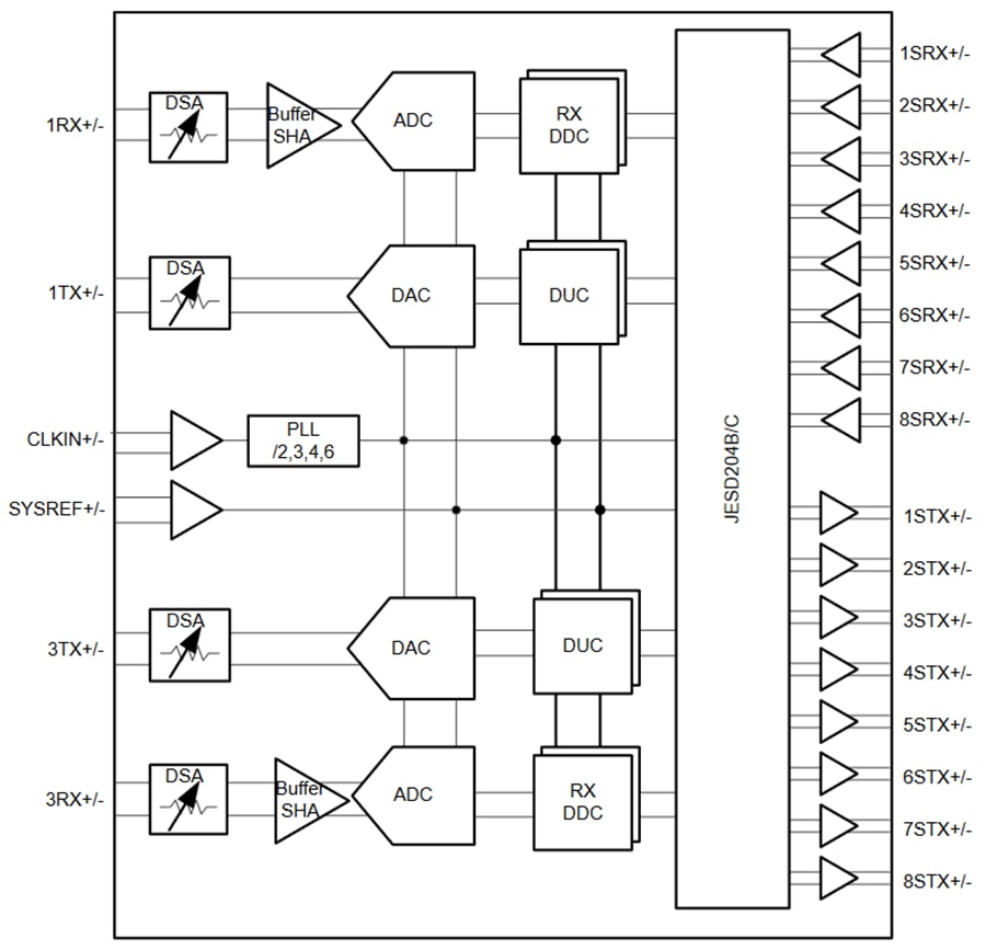
Functional Block Diagram

Block Diagram - Texas Instruments AFE7953 2T2R RF Sampling Analog Front End
Publicado: 2024-06-21 | Actualizado: 2024-06-25