TechNexion EDM TYPE 1 PICO-ITX Evaluation Board

TechNexion EDM TYPE 1 PICO-ITX Evaluation Board is designed to work with EDM Type 1 System on Modules (SOMs). This evaluation board features a 314-pin MXM3 EDM connector, DS1337+ serial real-time clock, NXP SGTL5000 audio codec, 2-channel I2S audio interface, and MikroBUS internal header. The MikroBUS internal header provides extremely rich sensor connectivity, expansion, and audio I/O options. The EDM TYPE 1 eval board sports a 24-bit Transistor-Transistor-Logic (TTL) RGB signals internal display with a touch connector. An open and modular design ensures reduced development time/costs and creates extremely scalable IoT products.

Features

  • NXP SGTL5000 audio codec
  • 24-bit Transistor-Transistor-Logic (TTL) RGB signals display
  • CTIA-compliant 3.5mm audio jack
  • 314-pin MXM3 board-to-board EDM connector
  • UART debug interface
  • More than 100,0000hrs Mean-Time-Between-Failures (MTBF)
  • RoHS and REACH compliant
  • DS1337+ RTC by Maxim Integrated
  • Expansion headers
    • GPIO
    • I2C
    • I2S
    • PWM
    • RS232
    • SPI
    • USB

Specifications

  • 12VDC ±5% power input
  • 2-pin micro-fit 3.0 power connector
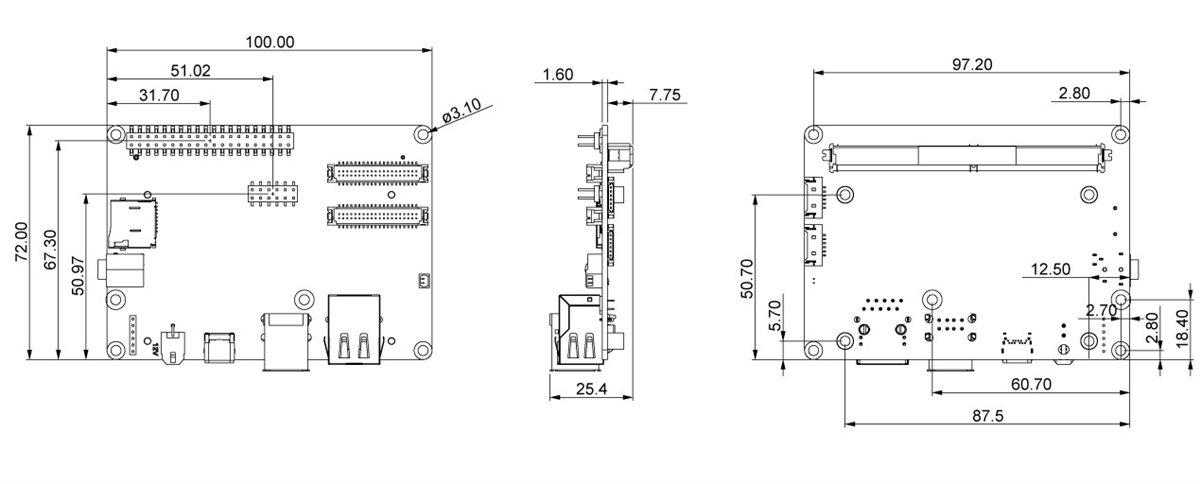
  • 100mm x 72mm dimensions
  • Pico-ITX form factor
  • 0 to +60°C operating temperature range

Block Diagram

TechNexion EDM TYPE 1 PICO-ITX Evaluation Board

Dimensions

TechNexion EDM TYPE 1 PICO-ITX Evaluation Board
Publicado: 2018-09-19 | Actualizado: 2022-08-19