TE Connectivity SPE T1 Industrial Connectors IP20
TE Connectivity's SPE T1 Industrial Connectors IP20 are Single Pair Ethernet (SPE), specifying Ethernet transmission over only one pair of copper wires. These industrial connectors IP20 support Power over Data Line (PoDL), which enables powering the remote device via the same pair of wires. The SPE T1 connectors feature up to 1Gb/s communication, IEC63171-6 standardized interface, -40°C to 85°C operating temperature range, and 60VDC operating voltage. These industrial connectors IP20 are more flexible and have a small diameter and less heavy cables that enable the application to move faster and use less energy. The SPE T1 industrial connectors IP20 meet IEC 63171-6 and UL1977 standards and are ideally used in sensors, actuators, switches, machinery, and robotics.Features
- One twisted pair of cable
- Up to 1Gb/s communication
- IEC63171-6 standardized interface
- Small diameter, more flexible, and less heavy cables enable the application to move faster and use less energy
- 360° shielding
- Small connector form factor allows miniaturization in next-generation applications
- PoDL support
- Easy and quick cable connector assembly reduces installation cost
- Reflow solderable SPE board connector supports latest industrial assembly processes
- Cable connector uses highly reliable crimp contacts that reduce downtime
Specifications
- 60VDC operational voltage
- Dielectric withstanding voltage:
- 1kV DC contact-contact
- Dielectric withstanding voltage:
- 1.5kV AC RMS contact-shield
- Through-Hole Reflow (THR) solder (board) and crimp contact (cable)
- -40°C to 85°C operating temperature range
- 26AWG to 22AWG conductor cross-section
- 4.5mm to 5.5mm outer-wire diameter
Applications
- Sensors
- Actuators
- Switches
- Machinery
- Robotics
Dimensions Drawing of 2364150-1
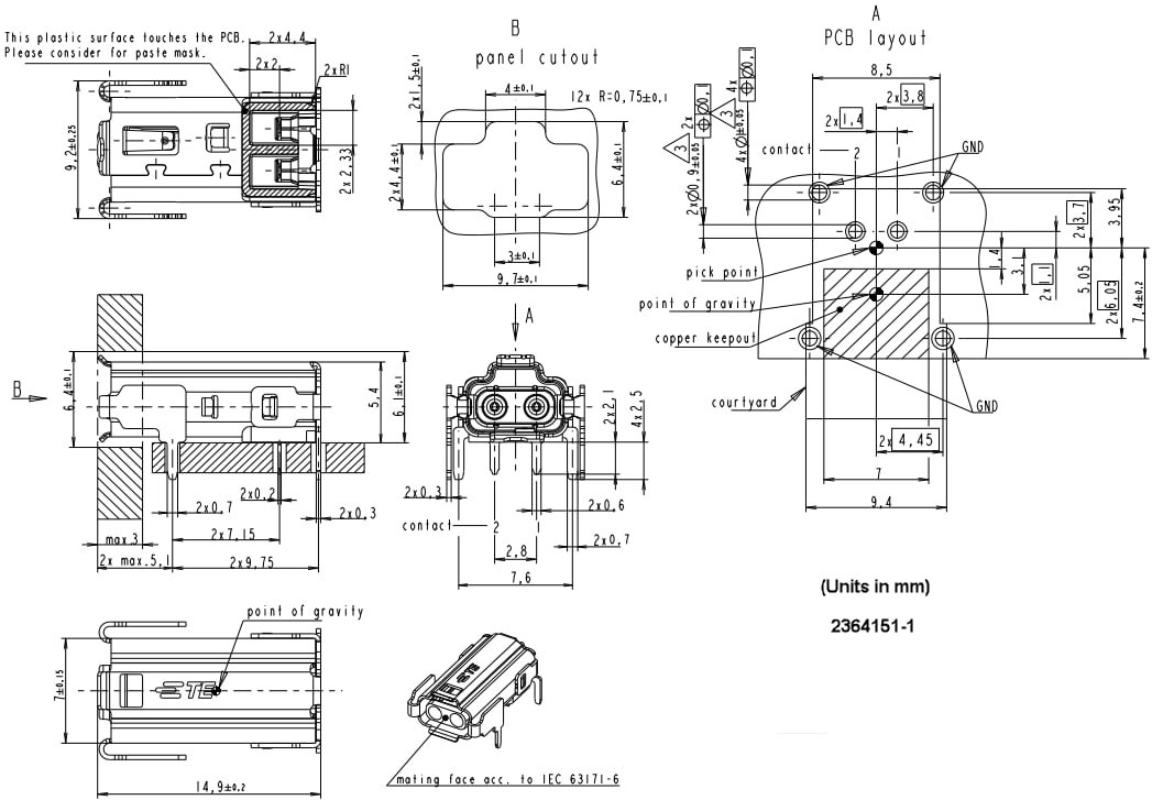
Dimensions Drawing of 2364151-1
Dimensions Drawing of 2368258-1 and 2368258-2
Dimensions Drawing of 2368260-1
Dimensions Drawing of 2368261-1
View Results ( 6 ) Page
| N.º de artículo | Hoja de datos | Producto | Estilo de terminación | Régimen de voltaje | Indicador de cable | Clasificación IP | Tipo de producto | Ángulo de montaje | Estilo de montaje |
|---|---|---|---|---|---|---|---|---|---|
| 2364151-1 | ![]() |
Connectors | Solder | 60 VDC | IP20 | Modular Connectors / Ethernet Connectors | Right Angle | Through Hole | |
| 2364150-1 | ![]() |
Connectors | Crimp | 60 VDC | IP20 | Modular Connectors / Ethernet Connectors | Straight | Cable Mount | |
| 2368258-2 | ![]() |
Contacts | Crimp | 22 AWG | Terminals | ||||
| 2368260-1 | ![]() |
Multi-Tools | Crimpers | ||||||
| 2368261-1 | ![]() |
Multi-Tools | Crimpers | ||||||
| 2368258-1 | ![]() |
Contacts | Crimp | 26 AWG | Terminals |
Publicado: 2023-01-24
| Actualizado: 2024-02-12

