Tamura 2LG-C Gate Driver Units

Tamura 2LG-C Gate Driver Units are designed for Mitsubishi Electric IGBT module LV100 (industrial). These driver units include a built-in isolated DC/DC converter and integrated gate drive circuit. The 2LG-C driver units (leader units) feature two outputs, 140ns delay time, soft turn-off function, 5kVAC insulation voltage, thermistor isolated circuit, and 18pF typical stray capacity. These gate driver units operate within the -40°C to 85°C temperature range and 20% RH to 95% RH ambient humidity range (non-condensing). The 2LG gate driver units are used in inverters, robots, battery chargers, PV inverters, and welding machines.

The 2LG-C follower units are connected in parallel with the gate driver units (leader units) to drive multiple power modules. These boards feature a soft turn-off function and insulating moisture-proof coating. The 2LG-C follower units operate within -40°C to 85°C temperature range and 20% RH to 95% RH ambient humidity range (non-condensing).

Features

  • Can be mounted with Mitsubishi Electric IGBT module LV100 (industrial)
  • Include built-in DC-DC converter and integrated gate driver
  • Connected in parallel with the follower board to drive multiple power modules

Specifications

  • Leader units:
    • 13VDC to 28VDC input voltage range
    • 3.3VDC to 16VDC logic input voltage range or 16VDC maximum logic input voltage
    • Two outputs
    • 9.5V typical short circuit detection voltage
    • 140ns delay time
    • Desaturation protection
    • 5kVAC insulation voltage
    • 18pF typical stray capacity
    • 5000VAC I/O dielectric withstanding voltage
    • Soft turn-off function
    • Can select direct mode and half-bridge mode
    • Thermistor isolated circuit
    • -40°C to 90°C storage temperature  range
    • 20% RH to 95% RH (non-condensing) operating ambient humidity range
    • 5% RH to 95% RH (non-condensing) storage ambient humidity range
  • Follower units:
    • Soft turn-off function
    • -40°C to 85°C operating temperature range
    • -40°C to 90°C storage temperature range
    • 20% RH to 95% RH (non-condensing) operating ambient humidity range
    • 5% RH to 95% RH (non-condensing) storage ambient humidity range

Applications

  • Inverters
  • PV inverters
  • Motor control units
  • Battery chargers
  • Robots
  • Welding machines
  • Industrial power supplies
  • Wind power generation

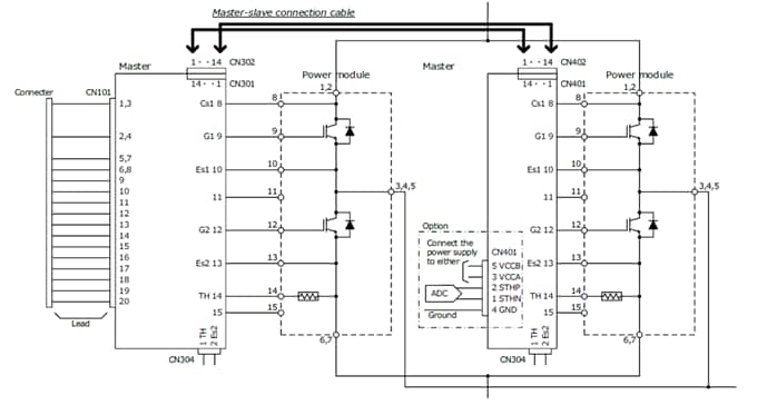
Application Circuit Diagram (Leader Units)

Application Circuit Diagram - Tamura 2LG-C Gate Driver Units

Application Circuit Diagram (Follower Units)

Application Circuit Diagram - Tamura 2LG-C Gate Driver Units
Publicado: 2024-07-02 | Actualizado: 2024-08-20