STMicroelectronics STDRIVEG610 Half-Bridge Gate Drivers

STMicroelectronics STDRIVEG610 Half-Bridge Gate Drivers are high-performance devices designed for driving N-channel MOSFETs or IGBTs in a variety of power conversion applications. The STMicroelectronics STDRIVEG610 features a single input control and bootstrap operation, enabling efficient high-side and low-side switching with minimal external components. The devices support up to 600V on the high-side driver and include under-voltage lockout (UVLO) protection on both the low-side and high-side to ensure safe operation. With a typical propagation delay of 50ns and matched delay times, the STDRIVEG610 ICs are well-suited for high-frequency switching applications such as motor control, power supplies, and inverters. The compact design, robust protection features, and wide operating voltage range make the STDRIVEG610 Half-Bridge Gate Drivers a reliable choice for designers seeking efficient and compact gate driver solutions.

Features

  • Up to 600V high voltage rail
  • ±200V/ns dV/dt transient immunity
  • Driver with a separated sink and source path for optimal driving
    • 2.4A and 1.2Ω sink
    • 1.0A and 3.7Ω source
  • High-side and low-side linear regulators for 6V gate driving voltage
  • 300ns, ultra-fast high-side startup time
  • 45ns propagation delay, 15ns minimum output pulse
  • High (>1MHz) switching frequency
  • Embedded 600V bootstrap diode
  • Full support of GaN hard-switching operation
  • UVLO function on VCC, VBO, and VLS
  • Separated logic inputs and shutdown pin
  • Fault pin for overtemperature and UVLO reporting
  • Stand-by function for low consumption mode
  • Separated PGND for Kelvin source driving and current shunt compatibility
  • 3.3V to 20V compatible inputs with hysteresis and pull-down

Applications

  • DC/DC and resonant converters (LLC, active clamp flyback, totem pole, ...)
  • PFC and synchronous rectifier topologies
  • Battery chargers and adapters
  • AC/DC converters

Specifications

  • 9.2V to 18V logic supply voltage range
  • ±3V low-side driver ground
  • 7.5V to 20V VBOOT-OUT pin voltage range
  • -10.8VDC to 520VDC output voltage range
  • 600V maximum transient output voltage
  • 0V to 20V logic inputs voltage range
  • 47nF to 220nF driver supply voltage bypass capacitance range
  • 3300nF maximum high-side driver linear regulator input capacitance
  • 50ns minimum duration of input pulse
  • 2MHz maximum switching frequency
  • Thermal resistance
    • 85°C/W junction-to-ambient when mounted on a 2s2p (4-layer) FR4 board according to JESD51-7 without PCB thermal vias
    • 110°C/W junction-to-ambient when mounted on a 1s0p (1-layer) FR4 board according to JESD51-3
  • ESD ratings
    • 2kV Human Body Model per ANSI/ESDA/JEDEC JS-001-2017
    • 1kV Charged Device Model per ANSI/ESDA/JEDEC JS-002-2018
  • -40°C to +125°C junction temperature range
  • 4mm x 5mm x 1mm QFN package

Typical Application Schematic

Application Circuit Diagram - STMicroelectronics STDRIVEG610 Half-Bridge Gate Drivers

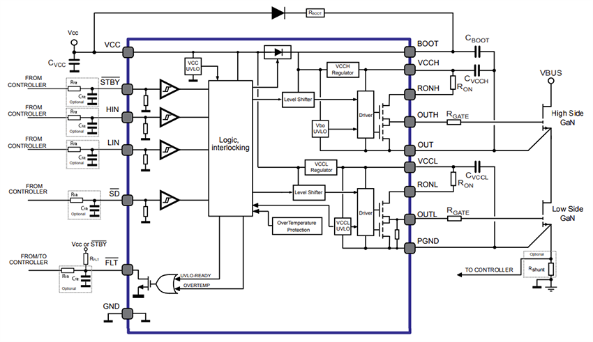
Block Diagram

Block Diagram - STMicroelectronics STDRIVEG610 Half-Bridge Gate Drivers

Videos

Publicado: 2025-06-19 | Actualizado: 2025-08-07