STMicroelectronics S2-LPCBQTR Sub-1GHz Transceiver

STMicroelectronics S2-LPCBQTR Sub-1GHz Transceiver is a high-performance ultra-low-power RF transceiver designed to operate in the 452MHz to 527MHz frequency range. This S2-LPCBQTR transceiver supports 2(G)FSK, 4(G)FSK, OOK, and ASK modulation schemes. The S2-LPCBQTR transceiver features 0.1kbps to 500kbps programmable air data rate, more than 145dB RF link budget, programmable RX digital filter, and ultra-low power consumption. STMicroelectronics S2-LPCBQTR Sub-1GHz Transceiver is useful in systems with channel spacing down to 1KHz that enables narrowband operations. Typical applications include sensors to the cloud, smart metering, home energy management systems, wireless alarm systems, smart home, building automation, and smart lighting systems.

Features

  • 452MHz to 527MHz frequency bands
  • Modulation schemes:
    • 2(G)FSK and 4(G)FSK
    • OOK and ASK
  • 0.1kbps to 500kbps air data rate
  • Ultra-low power consumption:
    • 7mA RX
    • 10mA TX at + 10dBm
  • More than 145dB RF link budget
  • Fully integrated ultra-low-power RC oscillator
  • -130dBm receiver sensitivity
  • Battery indicator and low battery detector
  • Excellent receiver selectivity and blocking
  • Programmable:
    • RF output power up to 16dBm
    • RX digital filter
    • Channel spacing
  • 4-wire SPI interface
  • Fast start-up and frequency synthesizer settling time

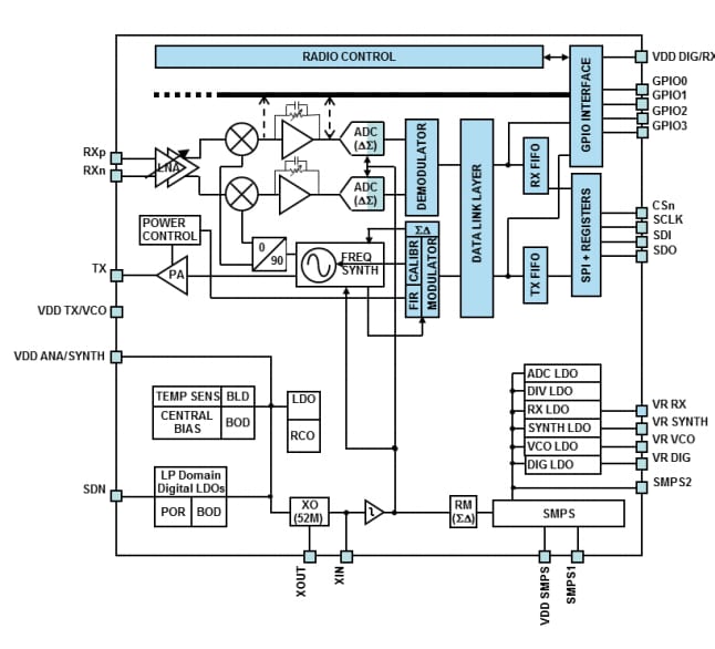
Block Diagram

Block Diagram - STMicroelectronics S2-LPCBQTR Sub-1GHz Transceiver

Videos

Content Stream

STMicroelectronics S2-LPCBQTR Sub-1GHz Transceiver
Publicado: 2018-08-02 | Actualizado: 2023-02-13