STMicroelectronics EVALSTGAP2SICSC Demonstration Board

STMicroelectronics EVALSTGAP2SICSC Demonstration Board is designed to quickly and easily demonstrate STGAP2SICS single-gate drivers, which provide galvanic isolation between the gate driving channel and the low voltage control and interface circuitry. The gate drivers are characterized by 4A capability and rail-to-rail outputs, making the devices suitable for mid and high-power applications such as power conversion and motor driver inverters in industrial applications. STMicroelectronics EVALSTGAP2SICSC Demonstration Board enables evaluation of all STGAP2SiCSC features while driving a half-bridge power stage with a voltage rating of up to 1200V in TO-220 or TO-247 packages. The board components are easy to access and modify, simplifying driver performance evaluation under various application conditions and fine-tuning of final application components.

Features

  • Board
    • High voltage rail up to 1200V
    • Negative gate driving
    • Onboard isolated DC-DC converters to supply high-side and low-side gate drivers, fed by VAUX = 5V, with 5.2kV maximum isolation
    • 3.3V VDD logic supply generated onboard or 5V (externally applied)
    • Easy jumper selection of driving voltage configuration of +17/0V, +17/-3V, +19/0V, and +19/-3V
  • Device
    • 4A Source/sink at +25°C driver current capability
    • 6000V galvanic isolation
    • 75ns short propagation delay
    • UVLO function
    • Gate driving voltage up to 26V
    • 3.3V, 5V TTL/CMOS inputs with hysteresis
    • Temperature shutdown protection
    • Standby function
    • 4A Miller clamp

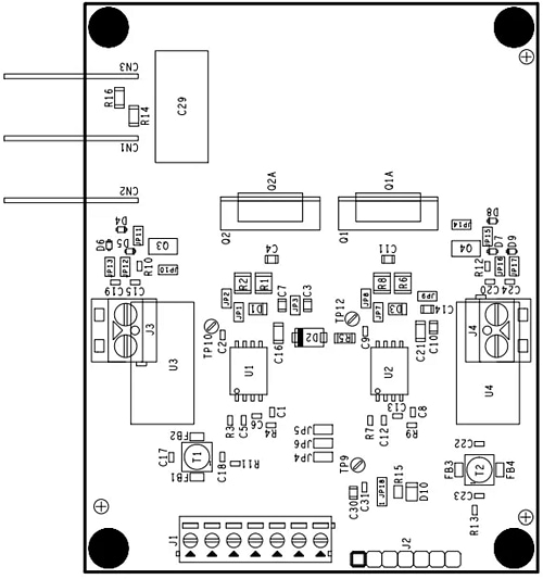
Board Layout

Location Circuit - STMicroelectronics EVALSTGAP2SICSC Demonstration Board
Publicado: 2020-12-08 | Actualizado: 2024-12-30