Skyworks Solutions Inc. Si538 JESD204B Clock Generators

Skyworks Solutions Inc. Si538 JESD204B Clock Generators are high-performance, integer-based (M/N) clock generators optimized for small cell wireless applications. These demand the highest level of integration and phase noise performance. These devices are based on 4th generation DSPLL technology. The Skyworks Si538 Clock Generators combine frequency synthesis and jitter attenuation in a highly integrated digital solution that eliminates the need for external VCXO and loop filter components. These devices include a low cost, a fixed-frequency crystal that provides frequency stability for free-run and holdover modes.

Features

  • Digital frequency synthesis eliminates external VCXO and analog loop filter components
  • Supports JESD204B clocking (DCLK and SYSREF)
  • 10MHz to 750MHz input frequency range 
  • 480kHz to 1.47456GHz output frequency range 
  • 80fs typ. (12kHz to 20MHz) excellent jitter performance
  • -159dBc/Hz phase noise floor 
  • -103dBc max (122.88MHz carrier) spur performance 
  • Highly configurable outputs compatible with LVDS, LVPECL, LVCMOS, HCSL, and CML with programmable signal amplitude
  • 68ps/step, ±128 steps adjustable output-output delay 
  • Optional Zero Delay mode
  • 3.3V, 2.5V, or 1.8V independent output supply pins 
  • Core voltage (VDD = 1.8V ±5%, VDDA = 3.3V ±5%)
  • Automatic free-run, lock, and holdover modes
  • 0.1Hz to 100Hz digitally selectable loop bandwidth 
  • Fast lock feature for low nominal bandwidths
  • Hitless input clock switching
  • Status monitoring (LOS, OOF, LOL)
  • In-circuit programmable with nonvolatile OTP memory
  • Four input, 12 output, 64-pin QFN
  • -40°C to +85°C temperature range
  • Pb-free, RoHS-6 compliant

Applications

  • JESD204B clock generation
  • Remote Radio Units (RRU), Remote Access Networks (RAN), picocells, small cells
  • Wireless base stations (3G, GSM, W-CDMA, 4G/LTE, LTE-A)
  • Remote Radio Head (RRH), wireless repeaters, wireless backhaul
  • Data conversion sampling clocks (ADC, DAC, DDC, DUC)

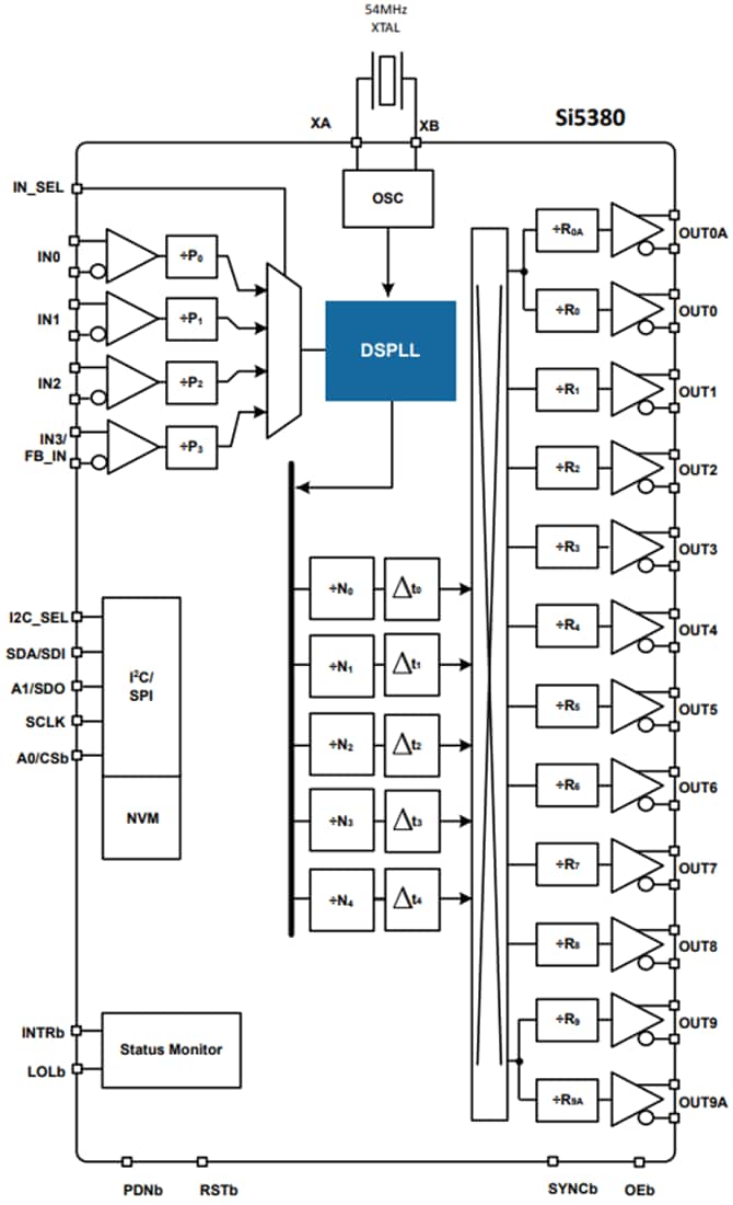
Block Diagram

Block Diagram - Skyworks Solutions Inc. Si538 JESD204B Clock Generators
Publicado: 2015-08-03 | Actualizado: 2022-03-11