Silvertel AG5700 Evaluation Boards
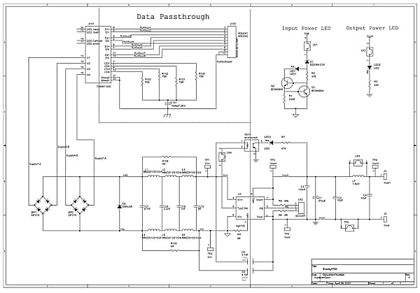
Silvertel AG5700 Evaluation Boards are designed to evaluate the AG57xx-LPB SMT Low Profile PD Modules. The AG57xx-LPB modules are power-over-Ethernet (PoE+) and function with Power Sourcing Equipment (PSE) units. The PD modules feature a 30W max output power and a 1500V safety isolation rating. The AG57xx-LPB SMT Low Profile PD Modules are compliant with IEEE802.3af, IEEE802.3at, and IEEE802.3bt standards.Schematic
Publicado: 2024-01-03
| Actualizado: 2024-02-06
