Sensirion LD20-2600B Liquid Flow Sensor

Sensirion LD20-2600B Liquid Flow Sensor is designed to measure dynamic liquid flow rates from a few hundred μl/h up to 1000ml/h bi-directionally. This single-use high-performance liquid sensor is built on the CMOSens® technology. The LD20-2600B sensor includes linearized, temperature-compensated, and fully calibrated digital output signals (I2C). This liquid flow sensor features 5% accuracy (H2O), 0.5% repeatability (H2O), 6000μA maximum supply current, and a straight, unobstructed flow channel without moving parts. Typical applications include advanced infusion therapy, biopharmaceutical processes, portable drug delivery devices, and home care.

The LD20 base station is used to evaluate and test the LD20-2600B liquid flow sensor. The connector block mechanically holds the sensor in place through a clip-in mechanism and provides an electrical interface between the contact pads of the sensor and a PC.

The POGO-PIN is a spring-loaded test probe can be used with the LD20-2600B liquid flow sensor and LD20BASESTATION.

Features

  • Measures flow rate from a few hundred μl/h up to 1000ml/h bi-directionally
  • Built-on CMOSens® technology
  • Fast and reliable detection:
    • Air-in-line
    • Free flow
    • Occlusion
  • Lineraized, temperature-compensated, and fully calibrated digital output signal (I2C)
  • Low power consumption for battery-powered applications
  • Media isolated
  • I2C and RS485 interfaces
  • High reliability and long-term stability
  • Straight, unobstructed flow channel without moving parts
  • Medical-grade and chemically resistant wetted materials

Applications

  • Surgical instruments
  • Critical and home care
  • Continuous urine flow measurement
  • Portable drug delivery devices
  • Advanced infusion therapy
  • Biopharmaceutical processes

Specifications

  • 5% accuracy (H2O)
  • 0.5% repeatability (H2O)
  • 3bar maximum operating pressure
  • 3.2V to 3.8V supply voltage range
  • 6000μA maximum supply current
  • 5°C to 45°C operating temperature range
  • 0% RH to 95% RH operating humidity range (non-condensing)

Videos

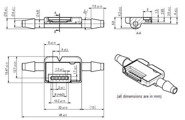
Mechanical Diagram

Mechanical Drawing - Sensirion LD20-2600B Liquid Flow Sensor
Publicado: 2023-10-11 | Actualizado: 2024-07-04