Semtech GS347x SDI Receivers
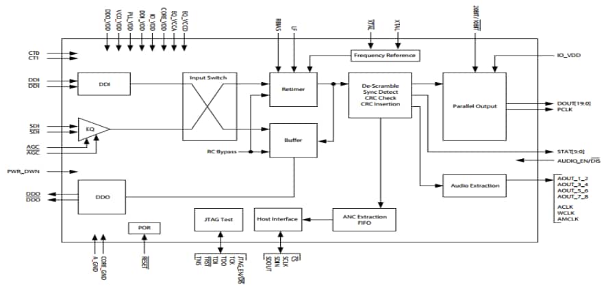
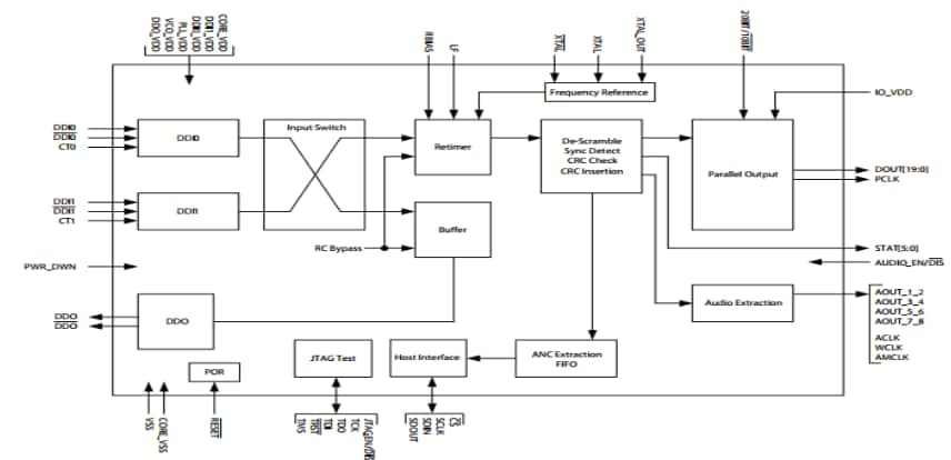
Semtech GS347x Serial Digital Interface (SDI) Receivers are multi-rate SDI receivers that include complete SMPTE processing. These receivers feature a dual input buffer with a 2x2 MUX. The receivers have three other basic modes of operation: SMPTE mode, DVB-ASI mode, and Data-Through mode. Semtech GS347x receivers feature an integrated re-timer with an internal Voltage Controlled Oscillator (VCO) which provides wide input jitter tolerance (IJT). These receivers include configurable Power-down modes that allow increased flexibility. The SMPTE processing feature can be bypassed to support signals with other coding schemes. Multi-link UHD can be supported when multiple GS347x devices are used. The GS347x receivers include an audio de-embedder and audio clocks are internally generated. Integrated Adaptive Cable Equalizer can be found only in the GS3471 receiver. These receivers have three other basic modes of operation which are SMPTE mode, DVB-ASI mode, and Data-Through mode.Features
- Operates at 2.970Gb/s, 2.970/1.001Gb/s, 1.485Gb/s, 1.485/1.001Gb/s, and 270Mb/s
- Supports SMPTE ST 425, SMPTE ST 424, SMPTE 292, SMPTE ST 259-C, and DVB-ASI
- 2K and multi-link UHD support
- Configurable power-down modes
- Integrated Retimer
- Serial digital reclocked or non-reclocked loop-through output
- Integrated audio de-embedder for 8 channels of 48kHz audio and audio clock generation
- Comprehensive error detection and correction features
- Parallel data bus selectable as either 20-bit or 10-bit, SDR or DDR rate
- Dual serial digital input buffer with 2x2 MUX
Applications
- Monitors
- DVRs
- Video switchers
- Editing systems
- Cameras
- Medical imaging
- Aviation, military, and vehicular video systems
GS3470 Block Diagram
GS3471 Block Diagram
Publicado: 2017-10-23
| Actualizado: 2023-05-17
