ROHM Semiconductor RB-D62Q2702TB48 Reference Board

ROHM Semiconductor RB-D62Q2702TB48 Reference Board is a development platform powered by the LAPIS ML62Q2702 CMOS 16-bit RISC microcontroller. Designed for a wide range of embedded system applications, this board is ideal for automotive solutions such as main inverters, onboard chargers, and battery management systems. The board's low-power operation, efficient processing capabilities, and integrated peripherals make it suitable for industrial automation and intelligent consumer electronics. Fully compatible with ROHM’s advanced development tools, the RB-D62Q2702TB48 streamlines prototyping, testing, and optimization, enabling engineers to create innovative, reliable, and energy-efficient designs tailored to modern technological demands.

Features

  • Provided with the LAPIS ML62Q2702 CMOS 16-bit RISC MCU, 48-pin TQFP
  • Mounted with the linked connector to EASE1000 V2
  • Through-holes for connecting the pins of LSI to external peripheral boards
  • Selectable power supply, supplied from the on-chip emulator EASE1000 V2 or CN1_3pin/CN2_2pin
  • Mounted 32.768KHz crystal
  • Mounted LEDs (P20, P21, P22)
  • Foot pattern with components for Successive Approximation Type A/D Converter is available (P30, P31, P32, P33)
  • Low power consumption
  • Internal flash memory and RAM
  • Flexible I/O and communication interfaces
  • Real-time processing
  • 1.8V to 5.5V operating supply range
  • Compact form factor, 56mm x 94mm x 15mm (WxDxH) size

Applications

  • Automotive systems
  • Industrial equipment
  • Consumer electronics

Overview

Location Circuit - ROHM Semiconductor RB-D62Q2702TB48 Reference Board

Power Circuit

Location Circuit - ROHM Semiconductor RB-D62Q2702TB48 Reference Board

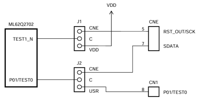
EASE1000 V2 Interface

Location Circuit - ROHM Semiconductor RB-D62Q2702TB48 Reference Board

PCB Layout

Mechanical Drawing - ROHM Semiconductor RB-D62Q2702TB48 Reference Board
Publicado: 2024-12-30 | Actualizado: 2025-01-07