ROHM Semiconductor RB-D62Q2524GD40 Reference Board

ROHM Semiconductor RB-D62Q2524GD40 Reference Board is a comprehensive development platform powered by the LAPIS ML62Q2524 CMOS 16-bit RISC microcontroller. Designed to facilitate rapid prototyping and testing, this board excels in applications requiring efficient processing and low power consumption. The board is particularly well-suited for automotive systems, including main inverters, onboard chargers, battery management systems, and industrial equipment for factory automation and control. Additionally, the board supports the development of energy-efficient consumer electronics. Compatible with the ROHM Semiconductor suite of development tools, the RB-D62Q2524GD40 enables engineers to create innovative, reliable, and optimized solutions for various embedded system applications.

Features

  • Provided with the LAPIS ML62Q2524 CMOS 16-bit RISC MCU, 40-pin WQFN
  • Mounted with the linked connector to EASE1000 V2
  • Through-holes for connecting the pins of LSI to external peripheral boards
  • Selectable power supply, supplied from the on-chip emulator EASE1000 V2 or CN1_3pin
  • Mounted 32.768KHz crystal
  • Mounted LEDs (P20, P21, P22)
  • Foot pattern with components for Successive Approximation Type A/D Converter is available (P30, P31, P32, P33)
  • Low power consumption
  • Internal flash memory and RAM
  • Flexible I/O and communication interfaces
  • Real-time processing
  • 1.8V to 5.5V operating supply range
  • Compact form factor, 56mm x 94mm x 15mm (WxDxH) size

Applications

  • Automotive systems
  • Industrial equipment
  • Consumer electronics

Overview

Location Circuit - ROHM Semiconductor RB-D62Q2524GD40 Reference Board

Power Circuit

Location Circuit - ROHM Semiconductor RB-D62Q2524GD40 Reference Board

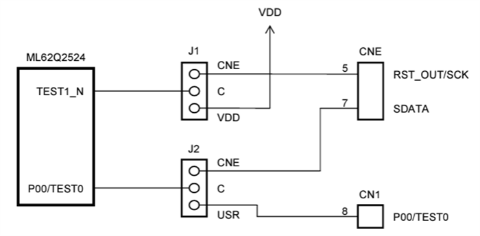
EASE1000 V2 Interface

Location Circuit - ROHM Semiconductor RB-D62Q2524GD40 Reference Board

PCB Layout

Mechanical Drawing - ROHM Semiconductor RB-D62Q2524GD40 Reference Board
Publicado: 2024-12-30 | Actualizado: 2025-01-07