ROHM Semiconductor RB-D62Q1727GA64 Reference Board
ROHM Semiconductor RB-D62Q1727GA64 Reference Board is a highly versatile platform featuring the LAPIS ML62Q1727 CMOS 16-bit Reduced Instruction Set Computer (RISC) MCU, designed for developing advanced embedded systems. Built around the energy-efficient ML62Q1727 MCU, this reference board delivers robust performance with a 16-bit RISC architecture and integrates a wide range of peripherals, including ADC, UART, SPI, and I2C interfaces.The board is ideal for applications in industrial automation, smart building systems, IoT/connected devices, automotive subsystems, consumer electronics, and portable medical devices. With low power consumption and a comprehensive feature set, the ROHM Semiconductor RB-D62Q1727GA64 Reference Board provides developers with a reliable, cost-effective solution for prototyping and implementing high-performance, compact, and energy-efficient embedded systems.
Features
- Provided with the LAPIS ML62Q1727 CMOS 16-bit RISC MCU, 64-pin QFP
- Mounted with the linked connector to EASE1000
- Through-holes for connecting the pins of LSI to external peripheral boards
- Selectable power supply, supplied from the on-chip emulator EASE1000 or CN1_3pin/CN2_2pin
- Mounted LEDs (P20, P21, P22)
- Mounted 32.768KHz crystal
- Low power consumption
- Internal flash memory and RAM
- Flexible I/O and communication interfaces
- Real-time processing
- 1.6V to 5.5V operating supply range
- Compact form factor, 56mm x 94mm x 15mm (WxDxH) size
Applications
- Industrial automation
- Smart building systems
- Automotive applications
- Internet of Things (IoT) and connected devices
- Consumer electronics
- Healthcare and portable medical devices
- Embedded systems
Overview
Power Circuit
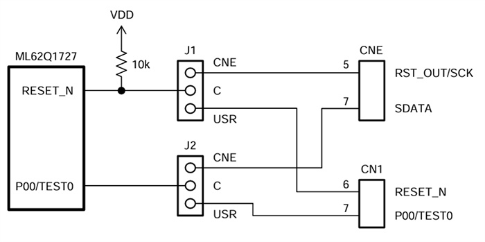
EASE1000 Interface
PCB Layout
Publicado: 2024-12-27
| Actualizado: 2025-01-06
