ROHM Semiconductor RB-D610Q327TB48 Reference Board

ROHM Semiconductor RB-D610Q327TB48 Reference Board is a development platform designed for the LAPIS ML610Q327 8-bit microcontroller. It provides developers with a comprehensive and versatile tool for evaluating and prototyping embedded applications. The board features a range of integrated peripherals, including LEDs, push buttons, and connectors, which simplify testing and development. It also supports communication via UART for serial data transmission, allowing seamless integration with external devices.

Designed with flexibility, the ROHM Semiconductor RB-D610Q327TB48 board offers multiple power supply options and programming/debugging interfaces for easy software development and troubleshooting. Leveraging the low power characteristics of the ML610Q327, the reference board is ideal for energy-efficient applications such as IoT devices, consumer electronics, and industrial control systems. Its compact design and robust features make it a valuable tool for quick prototyping and efficient product development.

Features

  • For use with the LAPIS ML610Q327 8-bit MCU
  • Can be combined with the on-chip debug tool EASE1000 V2 and software development environment (DUT8 and MWU16) to do the following:
    • Development and debugging of the MCU control software
    • Programming control and sound code data to the MCU internal Flash-ROM
    • Voice playback by the MCU
  • Flexible I/O interfaces
  • Onboard peripherals
  • UART communications port
  • Flexible power supply options
  • Programming and debugging interface
  • Low power operation
  • 2V to 5.5V operating supply voltage range
  • 93.98mm x 55.88mm x 18mm (WxDxH) size

Applications

  • Consumer electronics
  • Internet of Things (IoT) devices
  • Automotive electronics
  • Industrial automation
  • Toys and educational products
  • Security systems
  • Wearables

Overview

Location Circuit - ROHM Semiconductor RB-D610Q327TB48 Reference Board

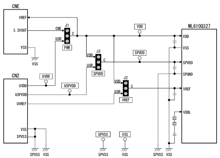
Power Circuit

Schematic - ROHM Semiconductor RB-D610Q327TB48 Reference Board

PCB Layout

Location Circuit - ROHM Semiconductor RB-D610Q327TB48 Reference Board
Publicado: 2024-12-20 | Actualizado: 2024-12-27