RFbeam K-LD2 Evaluation Kit

RFbeam K-LD2 Evaluation Kit is a fully operational movement detector. This kit visualizes the two digital outputs of the K-LD2 over LEDs. The K-LD2 evaluation kit features real-time streaming of ADC values and FFT spectrum. This kit includes powerful control panel software, reduces NRE, and unit conversion functions.

Features

  • Evaluation kit for the K-LD2 radar transceiver
  • Powerful control panel software included
  • Easy K-LD2 parameter setting over GUI
  • Converted units for easy development
  • Real-time streaming of ADC values and FFT spectrum
  • Saves time to market and reduces NRE

Applications

  • Internet of Things (IoT)
  • Room surveillance
  • Speed measurement
  • Velocity measurement
  • Street lighting
  • Perimeter protection
  • Intrusion
  • Person detection
  • Touchless switch

Kit Contents

  • USB stick containing:
    • Control panel software
    • Prepared setting files for a fast development start
    • Documentation
  • K-LD2 sensor
  • Evaluation kit PCB board
  • FTDI USB cable
     

Control Panel

RFbeam K-LD2 Evaluation Kit

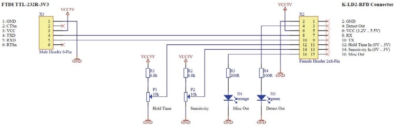
Schematic Diagram

RFbeam K-LD2 Evaluation Kit
Publicado: 2024-06-26 | Actualizado: 2024-08-20