Qorvo QPL7433 45MHz to 3.3GHz Low Noise Amplifier
Qorvo QPL7433 50MHz to 3.3GHz Low Noise Amplifier is a high-gain, wide-bandwidth MMIC pHEMT single-ended RF amplifier IC featuring 17.5dB of flat gain. The QPL7433 is designed to support customer-premises equipment(CPE) front end, cable, satellite and terrestrial TV, home gateways, and cable modems from 50MHz to 3300MHz using a single 5V supply.The Qorvo QPL7433 offers low noise and low distortion plus high gain in a compact 2mm x 2mm DFN package, ideal for space-constrained applications.
Features
- 50MHz to 3.3GHz frequency range
- Up to 17.5dB gain over the entire bandwidth
- Low 5V, 90mA power consumption
- 1.5dB typical noise figure
- 20dB reverse isolation
- 15dB output return loss
- Adjustable bias using external resistors
- -40°C to +85°C operating temperature range
- -65°C to +150°C storage temperature range
- DFN-8 package type
- 2mm x 2mm package dimensions
- RoHS compliant
Applications
- Cable, terrestrial, and satellite
- Extended-spectrum DOCSIS
- CATV nodes and amplifiers
- Satellite low-noise amplifiers
- Cable modem and set-top boxes
- Single-ended gain block
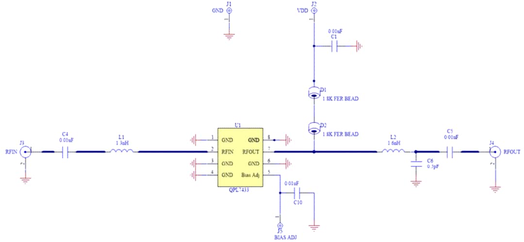
Typical Application Circuit
Pin Designations
Package Outline
Publicado: 2020-02-24
| Actualizado: 2024-09-06
