Términos internacionales de comercio (Incoterms):DDP Todos los precios incluyen los costos de aranceles y aduana para los métodos de envío seleccionados.
Confirme su elección de moneda:
Dólares estadounidenses Envío gratuito en la mayoría de los pedidos superiores a $100 (USD).
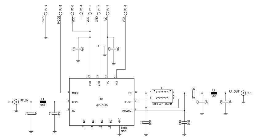
Qorvo QPC7335 RF Development Tool is designed to evaluate QPC7335 variable equalizers that operate from 45MHz to 1002MHz frequency bandwidth. These Qorvo equalizers consume low power and offer an 18dB slope range and low insertion loss.
Schematic
Related Equalizers
Qorvo QPC7335 Variable Equalizers
High-linearity equalizers that operate from 45MHz to 1002MHz bandwidth and consume low power.