Términos internacionales de comercio (Incoterms):DDP Todos los precios incluyen los costos de aranceles y aduana para los métodos de envío seleccionados.
Confirme su elección de moneda:
Dólares estadounidenses Envío gratuito en la mayoría de los pedidos superiores a $100 (USD).
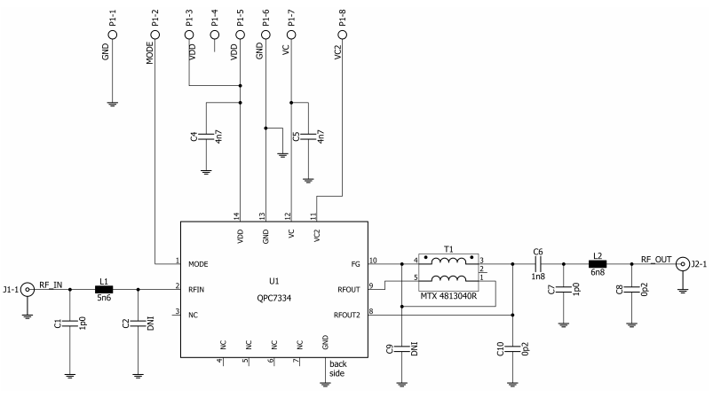
Qorvo QPC7334 RF Development Tool is designed to evaluate QPC7334 variable equalizers operating in the 5MHz to 684MHz frequency bandwidth. These Qorvo equalizers consume low power and offer 16dB slope and low insertion loss.
Schematic
Related Equalizers
Qorvo QPC7334 Variable Equalizers
High linearity equalizers that operate at 5MHz to 684MHz bandwidth and consume low power.