Pulse Electronics HXE20xHL Reinforced Halogen-Free ESS Transformers

Pulse Electronics HXE20xHL Reinforced Halogen-Free ESS Transformers support leading vendors' silicon for battery management systems (BMS) and energy storage solutions (ESS). The transformers offer a selection of working and breakdown voltages and a wide operating temperature range of -40°C to +125°C. These HXE20xHL transformers have an automated winding and production process for high reliability and UL compliance to IEC/UL 62368-1 standards. Pulse Electronics HXE20xHL transformers are suitable for ESS and marine or aviation transportation.

Features

  • Supports leading vendors' BMS and ESS
  • Selection of working and breakdown voltages
  • Automated winding and product process
  • High reliability

Applications

  • ESS
  • Marine transportation
  • Aviation transportation

Specifications

  • 150μH inductance rating
  • 500VDC to 1500VDC working voltage
  • 400MΩ insulation resistance
  • >6.35mm or >8.0mm insulation clearance
  • -40°C to +125°C operating temperature range
  • IEC/UL 62368-1 UL compliance

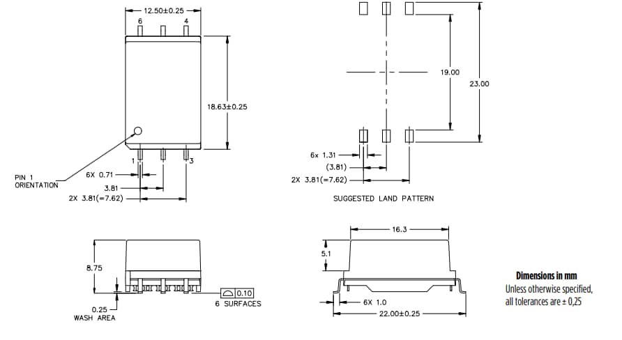
Dimensions

Mechanical Drawing - Pulse Electronics HXE20xHL Reinforced Halogen-Free ESS Transformers
Publicado: 2024-05-03 | Actualizado: 2024-05-21