pSemi PE45140, PE45361, PE45450 UltraCMOS Power Limiters
pSemi PE45140, PE45361, and PE45450 UltraCMOS® Power Limiters provide a monolithic alternative to discrete PIN-diode limiters. The devices reduce design complexity by offering a drop-in solution without external bias components. The PE45140, PE45361, and PE45450 Power Limiters have two operating modes: power limiting and power reflecting. These devices feature high linearity performance, fast response and recovery time, and superior ESD protection. Unlike traditional PIN-diode solutions, these devices achieve an adjustable input 1dB compression point or limiting threshold via a low current control voltage (VCTRL), eliminating the need for external bias components, such as DC blocking capacitors, RF choke inductors, and bias resistors.pSemi PE45140, PE45361, and PE45450 Power Limiters are manufactured using Peregrine's UltraCMOS process, a patented, advanced form of Silicon-on-Insulator (SOI) technology, offering the performance of Gallium Arsenide (GaAs) with the economy and integration of conventional
CMOS.
Features
- Frequency range
- 20MHz to 2GHz (PE45140)
- 10MHz to 6GHz (PE45361)
- 9kHz to 6GHz (PE45450)
- Adjustable low power limiting threshold
- +22dBm to +32dBm (PE45140)
- +7dBm to +13dBm (PE45361)
- +25dBm to +35dBm (PE45450)
- Unbiased power limiting operation
- ≤1ns response and recovery time
- Dual-mode operation
- Power limiting mode
- Power reflecting mode
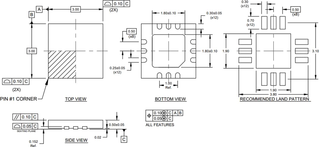
- Compact 3mm x 3mm QFN12 package
Applications
- Wireless infrastructure transceivers and antennas
- Test and measurement
Specifications Chart
Application Notes
Videos
Functional Diagram
Package Outline
Additional Resource
Publicado: 2020-06-16
| Actualizado: 2024-04-15
