Bourns HVMA03F40C-ST10S Flyback Transformer

Bourns HVMA03F40C-ST10S Flyback Transformer is an AEC-Q200 compliant, automotive grade transformer with a 3W output power. This flyback transformer features a 100kHz to 400kHz switching frequency range and 900V working voltage up to 5000m. The HVMA03F40C-ST10S flyback transformer provides basic insulation per IEC 61558-2 and IEC 60664-1 and complies with Moisture Sensitivity Level 1 (MSL 1). This 3W flyback transformer offers a wide operating temperature range from -40°C to 155°C and 10mm creepage with SMT transformer. Typical applications include transistor gate drive power, inverter circuits, battery management systems, motor drives, and power delivery.

Features

  • 3W flyback transformer
  • 100kHz to 400kHz switching frequency range
  • 900V working voltage up to 5000m
  • SMT transformer with 10mm creepage
  • Phenolic bobbin
  • Fully insulated Copper wire
  • Epoxy glue and Ferrite core
  • Basic insulation per IEC 61558-2 and IEC 60664-1
  • -40°C to 155°C operating temperature
  • Moisture Sensitivity Level 1 (MSL 1)
  • AEC-Q200 compliant and automotive grade

Applications

  • Transistor gate drive power
  • Inverter circuits
  • Battery management systems
  • Motor drives
  • Power delivery

Lead-Free Soldering Profile Graph

Performance Graph - Bourns HVMA03F40C-ST10S Flyback Transformer

Electrical Schematic

Schematic - Bourns HVMA03F40C-ST10S Flyback Transformer

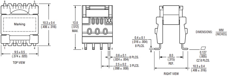
Dimension Diagram

Bourns HVMA03F40C-ST10S Flyback Transformer
Publicado: 2025-01-06 | Actualizado: 2025-01-13