onsemi NVHL060N065SC1 EliteSiC MOSFET

onsemi NVHL060N065SC1 EliteSiC MOSFET is a 650V, 60mΩ (typ), and 47A single N-channel MOSFET built with a compact and efficient design for high thermal performance. This MOSFET uses a completely new technology that provides superior switching performance and high reliability compared to Silicon. In addition, the low ON resistance and compact chip size ensure low capacitance and gate charge. The NVHL060N065SC1 power MOSFET offers high efficiency, faster operation frequency, increased power density, reduced EMI, and reduced system size. This MOSFET is AEC-Q101 qualified and is PPAP-capable. Typical applications include automotive onboard chargers and automotive DC/DC converters for Electric Vehicles (EV).

Features

  • 650V (VDSS) drain to source voltage
  • High-speed switching with low capacitance (COSS = 133pF)
  • Typical RDS(on)=44mΩ @ VGS=18V
  • Typical RDS(on)=60mΩ @ VGS=15V
  • Ultra-low gate charge (QG(tot)=74nC)
  • AEC-Q101 qualified and PPAP capable
  • Pb-free and RoHS-compliant
  • 100% Avalanche Tested

Applications

  • Automotive on-board charger
  • Automotive DC/DC converter for EV/HEV

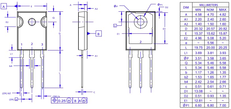
Package Dimensions

Mechanical Drawing - onsemi NVHL060N065SC1 EliteSiC MOSFET
Publicado: 2024-02-20 | Actualizado: 2024-07-15