onsemi NVBG050N170M1 Silicon Carbide (SiC) MOSFET

onsemi NVBG050N170M1 Silicon Carbide (SiC) MOSFET is a part of the 1700V M1 planar SiC MOSFET family optimized for fast switching applications. This MOSFET features a maximum 76mΩ @ 20V maximum RDS(ON), 1700V drain-to-source voltage, 50A continuous drain current, and ultra-low gate charge (typical QG(tot) = 107nC). The NVBG050N170M1 SiC MOSFET operates at low effective output capacitance (typical Coss = 97pF) and -15V/+25V gate-to-source voltage. This SiC MOSFET is 100% avalanche tested and is available in a D2PAK-7L package. The NVBG050N170M1 SiC MOSFET is Pb-free 2LI, Halide-free, and RoHS compliant with exemption 7a. Typical applications include a flyback converters, an automotive DC-DC converters for EVs/HEVs, and an automotive On Board Chargers (OBCs).

Features

  • Typical RDS(on) = 53mΩ @ VGS = 20V
  • Ultra low gate charge (typical QG(tot) = 107nC)
  • Low effective output capacitance (typical Coss = 97pF)
  • 100% avalanche tested
  • Halide free
  • RoHS compliant with exemption 7a
  • Pb-free 2LI (on second-level interconnection)

Applications

  • Flyback converter
  • Automotive DC-DC converter for EV/HEV
  • Automotive On Board Charger (OBC)

Specifications

  • 1700V VDSS drain-to-source voltage
  • -15V/+25V gate-to-source voltage
  • -55°C to 175°C operating temperature range
  • 87A continuous source current (Body Diode)

MOSFET Overview

onsemi NVBG050N170M1 Silicon Carbide (SiC) MOSFET

Typical Characteristcs

Performance Graph - onsemi NVBG050N170M1 Silicon Carbide (SiC) MOSFET

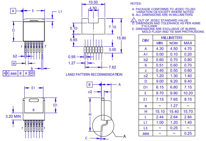
Dimension

Mechanical Drawing - onsemi NVBG050N170M1 Silicon Carbide (SiC) MOSFET
Publicado: 2025-05-14 | Actualizado: 2025-06-02