onsemi NTBG022N120M3S 1200V M3S Series SiC MOSFET
onsemi NTBG022N120M3S 1200V M3S Series SiC (Silicon Carbide) MOSFET is optimized for fast switching applications and offers a low 22mΩ drain-to-source on-resistance. The M3S Series SiC MOSFETs provide optimum performance when driven with an 18V gate drive but also work well with a 15V gate drive. This device features planar technology, which works reliably with a negative gate voltage drive and turns off spikes on the gate.The onsemi NTBG022N120M3S 1200V M3S Series SiC MOSFET is housed in a D2PAK-7L package for low common source inductance.
Features
- Optimized for fast switching applications
- Low switching losses
- 485µJ typical turn-on switching loss @ 40A, 800V
- 18V for best performance; 15V for compatibility with IGBT driver circuits
- 100% avalanche tested
- Improved power density
- Improved robustness to unexpected incoming voltage spikes or ringing
Applications
- AC-DC conversion
- DC-AC conversion
- DC-DC conversion
- Switch mode power supplies (SMPS)
- UPS
- Electric vehicle chargers
- Solar inverters
- Energy storage systems
Specifications
- 1200V drain-to-source voltage (VDSS)
- 22mΩ drain-to-source on-resistance (RDS(on))
- -10V/+22V gate-to-source voltage (VGS)
- 0.3V/°C drain-to-source breakdown voltage temperature coefficient (V(BR)DSS/TJ)
- 100µA zero gate voltage drain current (IDSS)
- ±1µA gate-to-source leakage current (IGSS)
- Continuous drain current (ID)
- 58A @ TC = 25°C
- 41A @ TC = 100°C
- Power dissipation (PD)
- 234W @ TC = 25°C
- 117W @ TC = 100°C
- 2.04V to 4.4V gate threshold voltage; 2.72V typical (VGS(TH))
- 3200pF input capacitance (CISS)
- 148pF output capacitance (COSS)
- 14pF reverse transfer capacitance (CRSS)
- 18ns turn-on delay time (td(ON))
- 24ns rise time (tr)
- 47ns turn-off delay time (td(OFF))
- 14ns fall time (tf)
- 23ns reverse recovery time (tRR)
- -55°C to +175°C operating junction and storage temperature range (TJ, Tstg)
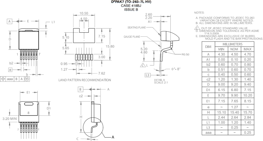
- D2PAK7 (TO-263-7L HV) package
Internal Schematic
Package Outline
Publicado: 2022-08-24
| Actualizado: 2024-06-19
