onsemi NCV7462 System Basis Chip

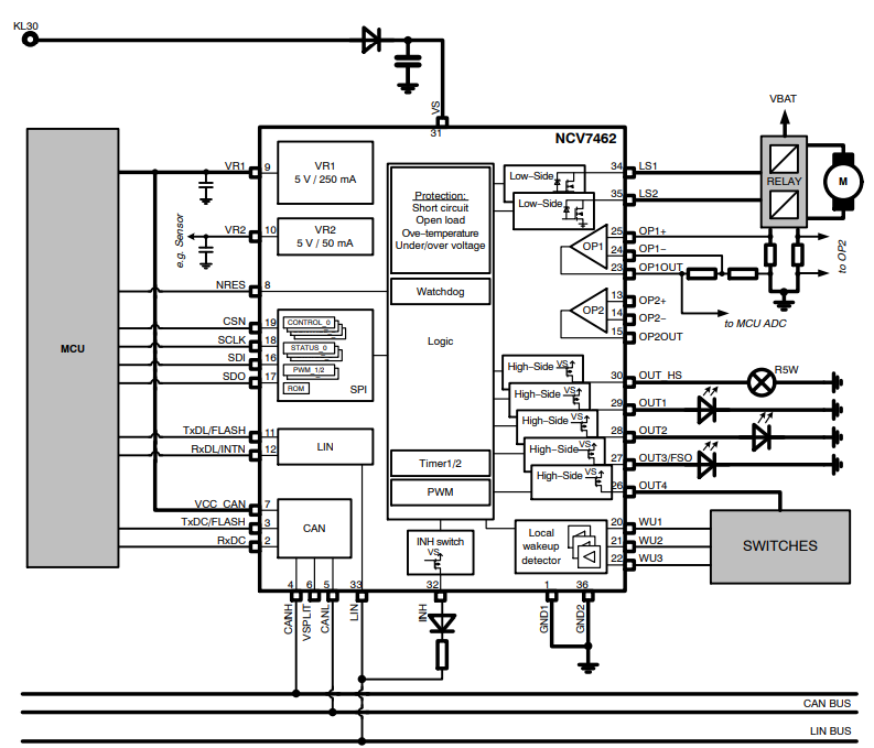
onsemi NCV7462 System Basis Chip comes with LIN, CAN, high-side (HS), and low-side (LS) drivers. onsemi NCV7462 chip incorporates an enhanced feature set useful in automotive body control systems. This IC features two 5V voltage regulators, high-side and low-side switches to control LEDs and relays, and supervision functionality like a window watchdog. The NV7462 chip is a highly integrated solution that replaces the external discrete components while maintaining the system's flexibility. Typical applications include de-centralized door electronic systems, body control units (BCUs), and climate control systems.

Features

  • High-side and low-side switches to control LEDs and relays
  • Supervision functionality like a window watchdog
  • 5V to 28V main supply functional operating range
  • 6V to 18V main supply parametrical operating range
  • CAN high-speed transceiver compliant with ISO11898
  • TxD time-out on CAN
  • LIN physical layer according to LIN 2.x and SAEJ2602
  • Programmable TxD time-out on LIN
  • Power management through operating modes
    • Normal
    • Standby
    • Sleep
    • Flash
  • Low drop voltage regulator VR1 with 5V/250mA and ±2% output tolerance
  • Reverse current protected low drop voltage regulator VR2 with 5V/50mA and ±2% output tolerance
  • 3 x wake-up inputs
  • Wake-up logic with cyclic contact monitoring
  • Wake-up source recognition
  • Independent PWM functionality for all outputs (integrated PWM registers)
  • 2 x low-side driver (typ.3) with overload protection and active clamp
  • 1 x high-side driver (typ.1) with overload and underload detection and auto-recovery
  • 1 x high-side driver (selectable between typ.2 and 7) with overload and underload detection
  • 3 x high-side driver (typ.7) with overload and underload detection
  • 2 x operational amplifier for current sensing
  • 24-bit SPI interface
  • Protection against short circuits, overvoltage, and overtemperature
  • SSOP36-EP package
  • AEC-Q100 qualified and PPAP capable

Applications

  • De-centralized door electronic systems
  • BCUs
  • Climate control systems

Block Diagram

Block Diagram - onsemi NCV7462 System Basis Chip

Application Circuit Diagram

Application Circuit Diagram - onsemi NCV7462 System Basis Chip
Publicado: 2020-09-03 | Actualizado: 2024-05-30